

作品包括:
Word版设计说明书1份
CAD版本图纸,共11张
SW三维图一套
摘要
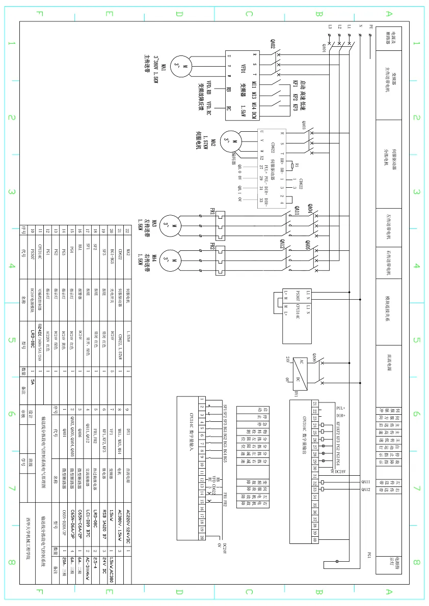
本文主要研究并设计四柱式上传动液压机的本体结构,根据技术参数设计压机主体结构,包括上、下横梁,活动横梁(三梁)、立柱(四柱)、液压缸的结构设计,根据CAD软件(Solidworks,CAD)建立压机的三位模型,并对设计的零件进行强度刚度校核,以得到满使用产品零部件,并出工程图。通过以上工作内容能从整体上了解三梁四柱压机的工作原理及设计方法,熟悉和掌握液压机设计的方法和一般规律,能熟练使用计算机辅助设计软件达到独立设计的能力,为今后走向工作岗位打下坚实的理论和实践基础。
温馨提示:
1、题目前面的备注【字母数字编号】为本站整理分类的编号,与课题内容无关,请选题时忽视;
2、若题目上备注三维,则表示文件里包含三维源文件,由于三维组成零件数量较多,为保证预览截图的简洁性,本站将三维文件夹进行了打包。三维及CAD预览截图,均为本站电脑打开软件进行截图的,保证能够打开,下载原件超高清,下载后解压即可;
3、本站所有资源如无特殊说明,都需要本地电脑安装Office2007。图纸软件为AutoCAD,PROE,UG,SolidWorks,CATIA等;
4、本站所有图文资料仅供用户学习参考,不作为任何商用或其他用途;
5、本站不保证下载资源的准确性、安全性和完整性, 不包修改,不支持退换,同时也不承担用户因使用这些下载资源对自己和他人造成任何形式的伤害或损失;
6、 下载文件中如有侵权或不适当内容,请与我们联系,我们立即纠正。