

作品包括:
Word版设计说明书1份,共87页,约24000字
开题报告一份
外文翻译一份
PPT答辩一份
CAD版本图纸,共6张
SW三维图一套
PLC控制程序一份

摘要
在当今社会中,快递已经成为我们生活中不可缺少的环节,由于各大电商的崛起,快递行业也将迈进新时代,本文设计了一种新型的快递送货无人车,它拥有无人驾驶,智能派送等功能,可以实现从快递站直接送达客户手中,他拥有转向,避障等功能。使用电池功能,绿色环保,推进了传统快递的改革,最终实现快递送货无人车取代快递员的传统快递方式。
本论文根据以往快递无人车研究的相关资料,在目前现有的基础设计之上,设计了一种以PLC为控制系统来控制快递送货无人车的行驶。
本次设计的主要内容为以下几个方面,首先设计整车的运动模型和各个机械结构,使快递车能够实现自动驾驶,转向、避障等功能。再次,按模块化细分,以永磁电机配合减速器为驱动模块,以电池作为整车的能源模块,以plc控制系统作为整车的控制模块,以传感器作为其壁障模块。然后编写系统的plc控制程序,基于PLC控制快递无人车的控制程序,使快递车能够实现无人模式下的避障功能。
关键词: 无人快递车;plc控制;模块化设计;避障
目 录•
第一章 绪论 1
1.1前言 1
1.2国内研究现状 4
1.3国外发展现状 6
第二章 快递送货无人车结构及机械传动方案 10
2.1快递送货无人车概念设计 10
2.2快递送货无人车结构设计 10
第三章 快递无人车各部分设计 13
3.1车架的设计 13
3.2 快递无人车轮距的确定 13
3.3 快递无人车车轮的选型 14
3.4 快递无人车通过性参数 14
3.5 快递无人车的转弯半径 15
3.6 快递无人车的整车参数 15
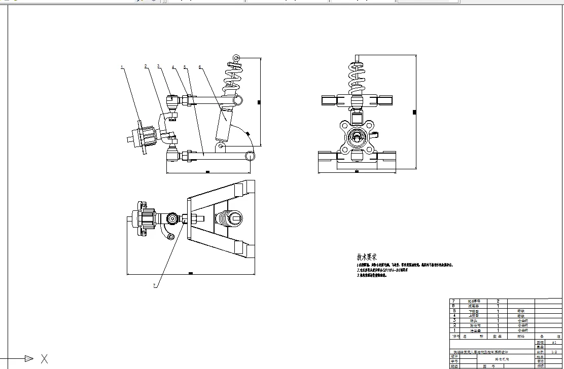
3.7 快递无人车的前后悬架的选取 15
3.8 快递无人车车身设计 18
第四章 快递无人车部件的选型、计算、校核 19
4.1整车数据确定 19
4.2驱动电机的选型 19
4.3电池的选型 22
第五章 控制系统设计 24
5.1 PLC S7-200控制器介绍 24
5.2 PLC IO分配表 25
5.3快递送货无人车控制系统设计 25
第六章 总结与展望 28
致 谢 29
参考资料 30
附 录 31
温馨提示:
1、题目前面的备注【字母数字编号】为本站整理分类的编号,与课题内容无关,请选题时忽视;
2、若题目上备注三维,则表示文件里包含三维源文件,由于三维组成零件数量较多,为保证预览截图的简洁性,本站将三维文件夹进行了打包。三维及CAD预览截图,均为本站电脑打开软件进行截图的,保证能够打开,下载原件超高清,下载后解压即可;
3、本站所有资源如无特殊说明,都需要本地电脑安装Office2007。图纸软件为AutoCAD,PROE,UG,SolidWorks,CATIA等;
4、本站所有图文资料仅供用户学习参考,不作为任何商用或其他用途;
5、本站不保证下载资源的准确性、安全性和完整性, 不包修改,不支持退换,同时也不承担用户因使用这些下载资源对自己和他人造成任何形式的伤害或损失;
6、 下载文件中如有侵权或不适当内容,请与我们联系,我们立即纠正。