

作品包括:
Word设计说明书1份,共37页
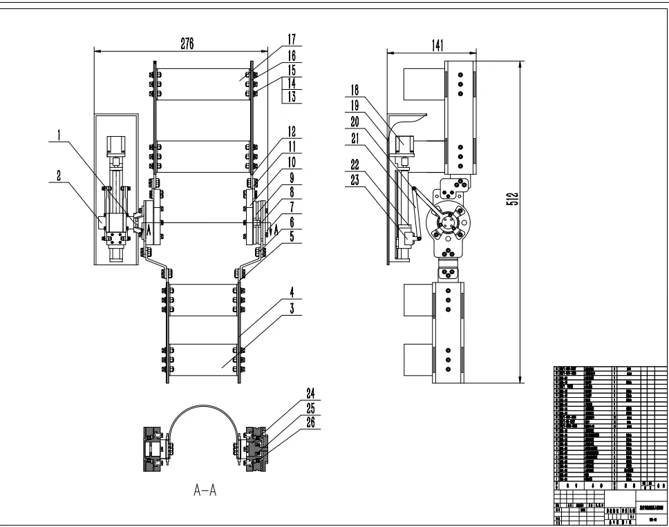
CAD版本图纸,共6张
SW三维图一套
摘要
膝关节康复机器人是多门学科融合的科技产物,利用膝关节康复机器人进行精准、快速的进行膝关节康复,从而替代人工康复解放劳动力。本文对人体膝关节受力情况和运动形式进行分析,提出一款适用于家庭或者社区使用的便携式膝关节康复机器人。首先,了解人体下肢运动机理和膝关节受力为膝关节康复机器人的理论研究打下基础;其次,以安全性、适应性和轻量化为设计前提,提出膝关节康复机器人的方案设计,在方案设计的基础上进行结构设计(驱动电机选型、丝杆的选型与校核、轴承和键等标准件的选型);再次,根据膝关节康复机器人结构设计结果,利用Solidworks软件绘制膝关节康复机器人关键零部件三维模型,并根据软件装配规则进行整机装配;最后,采用D-H参数法(Denavit-Hartenberg) 推导出膝关节康复机器人位置正解,并使用几何封闭法推导出膝关节康复机器人的位置反解,并对膝关节康复机器人进行经济性分析。
温馨提示:
1、题目前面的备注【字母数字编号】为本站整理分类的编号,与课题内容无关,请选题时忽视;
2、若题目上备注三维,则表示文件里包含三维源文件,由于三维组成零件数量较多,为保证预览截图的简洁性,本站将三维文件夹进行了打包。三维及CAD预览截图,均为本站电脑打开软件进行截图的,保证能够打开,下载原件超高清,下载后解压即可;
3、本站所有资源如无特殊说明,都需要本地电脑安装Office2007。图纸软件为AutoCAD,PROE,UG,SolidWorks,CATIA等;
4、本站所有图文资料仅供用户学习参考,不作为任何商用或其他用途;
5、本站不保证下载资源的准确性、安全性和完整性, 不包修改,不支持退换,同时也不承担用户因使用这些下载资源对自己和他人造成任何形式的伤害或损失;
6、 下载文件中如有侵权或不适当内容,请与我们联系,我们立即纠正。