

作品包括:
Word设计说明书1份
任务书一份
开题报告一份
PPT答辩一份
CAD版本图纸,共6张
Catia三维图一套
摘要
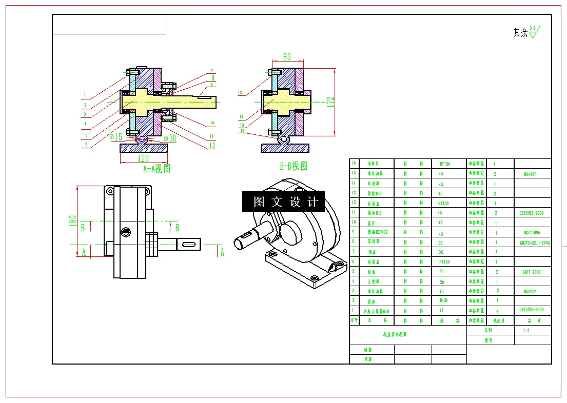
本论文主要阐述了车用高压动力泵结构简单、制造方便、重量轻、体积小等特点,使得它获得了广泛的应用。外啮合车用高压动力泵作为一种典型的液压泵,在3D结构优化设计和分析方面,国内外都进行了大量的工作,已发表的文章也很多,但传统的分散型数值方法效率低、通用性差,不利于企业的直接应用。对于中高压外啮合齿轮泵则需要采取加浮动轴套或弹性侧板的方法解决。困油现象引起齿轮泵强烈的振动和噪声还大大所短外啮合齿轮泵的使用寿命,解决困油问题的方法是开卸荷槽。目前,随着CAX(CAD/CAM/CAE)3D设计已成必然。CATIA是这样的一个CAX,它汇集了航空航天和汽车工业的专业经验,是目前最先进和最集成的CAX软件,CATIA把CAD,CAM和CAE无缝集成到统一、开放的环境中,提高了产品的流程信息的效率。制造加工时间缩短了20%。CATIA使设计实现通用化,不仅仅是零件再利用和标准化,更重要的是基于知识的工程方法和最佳实践。从工程设计、性能分析到概念设计等,正广泛应用于我国各制造业。
温馨提示:
1、题目前面的备注【字母数字编号】为本站整理分类的编号,与课题内容无关,请选题时忽视;
2、若题目上备注三维,则表示文件里包含三维源文件,由于三维组成零件数量较多,为保证预览截图的简洁性,本站将三维文件夹进行了打包。三维及CAD预览截图,均为本站电脑打开软件进行截图的,保证能够打开,下载原件超高清,下载后解压即可;
3、本站所有资源如无特殊说明,都需要本地电脑安装Office2007。图纸软件为AutoCAD,PROE,UG,SolidWorks,CATIA等;
4、本站所有图文资料仅供用户学习参考,不作为任何商用或其他用途;
5、本站不保证下载资源的准确性、安全性和完整性, 不包修改,不支持退换,同时也不承担用户因使用这些下载资源对自己和他人造成任何形式的伤害或损失;
6、 下载文件中如有侵权或不适当内容,请与我们联系,我们立即纠正。