

作品包括:
Word版说明书1份,共70页,约18000字
CAD版本图纸,共4张
SW三维图一份
摘要
压缩机是将低压气体提升为高压的一种从动的机械,是制冷系统的心脏。
本设计详细介绍了4缸制冷压缩机的热力学和动力学计算,包括制冷系统在各种工况下的输气量、制冷量、制冷系数等。对曲柄连杆机构的运动和作用力进行了较深入的研究,动力学计算包括惯性力、惯性力矩、气体力、活塞力等。对活塞、连杆和曲轴进行了结构设计和强度校核。对冷凝器、节流阀、蒸发器及其它附件管路作了简单的计算、分析;绘制相关的零件图和装配图。
通过Solidworks三维设计软件对活塞组及曲轴进行了建模,并进行了运动仿真。分析其速度、加速度等技术参数。
关键词:制冷,压缩机,三维设计,仿真
目录
第1章 绪论 1
1.1制冷系统简介 1
1.1.1制冷系统 1
1.1.2制冷循环及其工作原理 1
1.2压缩机的分类、结构与用途 2
1.2.1压缩机的分类与特点: 2
1.2.2活塞式制冷压缩机基本结构 3
1.2.3压缩机的用途 3
第2章 总体设计 4
2.1结构方案的选择 4
2.1.1结构型式的特点及其选择 4
2.1.2运动结构的结构及选择 4
2.2压缩机转数和行程的确定 5
2.3制冷剂的选择 5
第3章 热力学计算 6
3.1根据原始数据 6
3.2排气温度的计算 6
3.3热力学计算 8
3.3.1设计工况下热力学计算 8
3.3.2其它工况热力学计算 11
第4章 动力计算 12
4.1曲柄连杆机构的运动关系 12
4.1.1活塞位移 12
4.1.2活塞速度 12
4.1.3活塞加速度 13
4.1.4曲柄销的运动 13
4.2曲柄连杆机构的惯性力 13
4.2.1连杆惯性力的替代系统 13
4.2.2往复惯性力 14
4.2.3旋转惯性力 14
4.3气体压力的作用 15
4.3.1膨胀过程 15
4.3.2吸气过程 15
4.3.3压缩过程 15
4.3.4排气过程 16
4.4摩擦力 16
4.5曲柄连杆机构上的受力分析 16
4.5.1活塞力 16
4.5.2侧向力和连杆力 17
4.5.3切向力和法向力 17
4.5.4总切向力 17
4.6压缩机的旋转不均匀度和飞轮矩的计算 17
4.7压缩机的动平衡计算 19
第5章 主要部件设计 20
5.1活塞组 20
5.2气缸 20
5.2.1材料选取及基本结构型式 20
5.2.2气缸主要尺寸的确定 20
5.2.3基本技术要求 21
5.3气阀 21
5.3.1气阀的结构形式 22
5.4 活塞设计 22
5.4.1活塞结构型式选择 22
5.4.2活塞环选取与计算 22
5.4.3刮油环 23
5.4.4活塞结构尺寸的确定 24
5.4.5活塞销 25
5.5曲轴 26
5.5.1曲柄结构尺寸的确定 26
5.5.2曲柄的技术要求 27
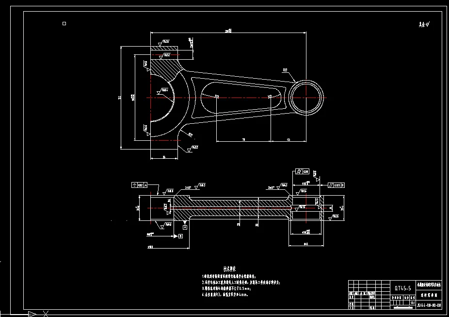
5.6连杆的结构设计 27
5.6.1连杆的结构设计 27
5.6.2连杆螺栓设计 29
5.7连杆结构强度校核 29
5.8连杆的技术要求 32
第6章 曲柄滑块机构的三维造型 33
6.1三维软件的选择 33
6.2曲轴的三维造型 33
6.2.1新建模型 33
6.2.2草图绘制 33
6.2.3主轴颈旋转特征一 33
6.2.4曲柄拉伸特征建模一 34
6.2.5曲柄销旋转特征一 34
6.2.6曲拐放样特征 34
6.2.7曲柄销旋转特征二 35
6.2.8曲柄拉伸特征二 36
6.2.9主轴颈旋转特征二 36
6.2.10完成曲轴建模 37
6.3连杆组三维实体造型 37
6.3.1连杆大头体建模 37
6.3.2连杆大头盖的建模 37
6.3.3连杆上各个零件创建 38
6.3.4连杆组的装配 38
6.4活塞组三维实体造型 39
6.4.1活塞的创建 39
6.4.2其它部件的设计 39
6.4.3活塞组的装配 40
6.5曲柄滑块机构的总体装配 40
6.5.1新建装配体 40
6.5.2创建装配基准面 40
6.5.3插入连杆组件 41
6.5.4插入活塞组件 41
6.5.5完成装配与配合 42
6.6运动及仿真 43
6.6.1运动仿真的插件的安装 43
6.6.2零件状态的确定 43
6.6.3运动关系(约束)的添加 44
6.6.4运动设置 44
6.6.5仿真的动画运行 45
6.6.6仿真及结果的输出 45
第7章 结论 46
参考文献 47
致谢 48
附录A:计算机编写的程序 49
附录B:计算机编程结果 52
附录C:计算机编程结果折线图 56
温馨提示:
1、题目前面的备注【字母数字编号】为本站整理分类的编号,与课题内容无关,请选题时忽视;
2、若题目上备注三维,则表示文件里包含三维源文件,由于三维组成零件数量较多,为保证预览截图的简洁性,本站将三维文件夹进行了打包。三维及CAD预览截图,均为本站电脑打开软件进行截图的,保证能够打开,下载原件超高清,下载后解压即可;
3、本站所有资源如无特殊说明,都需要本地电脑安装Office2007。图纸软件为AutoCAD,PROE,UG,SolidWorks,CATIA等;
4、本站所有图文资料仅供用户学习参考,不作为任何商用或其他用途;
5、本站不保证下载资源的准确性、安全性和完整性, 不包修改,不支持退换,同时也不承担用户因使用这些下载资源对自己和他人造成任何形式的伤害或损失;
6、 下载文件中如有侵权或不适当内容,请与我们联系,我们立即纠正。