

作品包括:
Word设计说明书1份
CAD版本图纸,共3张
摘要
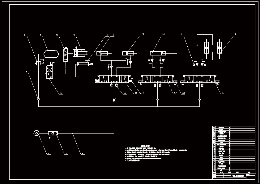
轮胎侧面撞击试验装置机电系统设计 主要内容是对轮胎侧面撞击实验装置的总体的布局、传动机构方案比较、气压控制系统、电气控制系统以及安全保护系统的分析和设计。设计中充分考虑到现有普通轮胎拆装机的状况,基本保持了原轮胎拆装机的功能并兼顾了原有扒胎机设备的一些性能,增加了工作盘转速可变功能(变频调速)、横臂可沿轴线伸缩并且可绕轴线旋转功能、冲击杆冲击轮胎侧面功能、立柱可后倾功能、气动门保护功能等。
温馨提示:
1、题目前面的备注【字母数字编号】为本站整理分类的编号,与课题内容无关,请选题时忽视;
2、若题目上备注三维,则表示文件里包含三维源文件,由于三维组成零件数量较多,为保证预览截图的简洁性,本站将三维文件夹进行了打包。三维及CAD预览截图,均为本站电脑打开软件进行截图的,保证能够打开,下载原件超高清,下载后解压即可;
3、本站所有资源如无特殊说明,都需要本地电脑安装Office2007。图纸软件为AutoCAD,PROE,UG,SolidWorks,CATIA等;
4、本站所有图文资料仅供用户学习参考,不作为任何商用或其他用途;
5、本站不保证下载资源的准确性、安全性和完整性, 不包修改,不支持退换,同时也不承担用户因使用这些下载资源对自己和他人造成任何形式的伤害或损失;
6、 下载文件中如有侵权或不适当内容,请与我们联系,我们立即纠正。