

作品包括:
Word设计说明书1份,共47页,约18000字
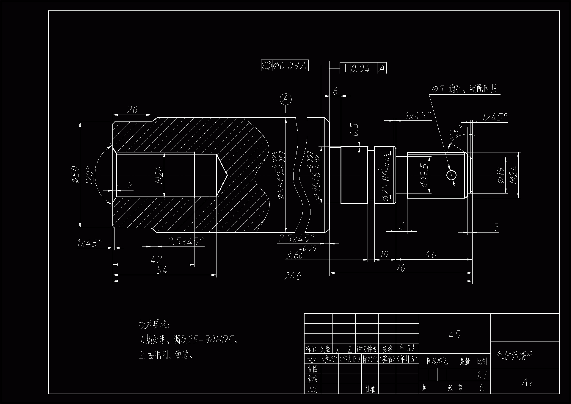
CAD版本图纸,共11张
摘要
秸秆压实器是把秸秆等生物质原料粉碎压缩制成高效、环保燃料或饲料的设备。秸秆压块机压出的产品是用来做饲料或燃料的。经过实践和不断的改进,秸秆压块机已日臻完善。秸秆压块机具有自动化程度高、产量高、价格低、耗电少、操作简单、环境无污染等优点。因而秸秆压块机可广泛应用压制各种农作物秸秆和小树枝等生物质原料。 本文对一种外形为200X400X100的物料进行压实器设计,其中旋转的压下,水平方向的2个压面强度和旋转压头的转速要求计算,最后压实的物块体积要求,用气压传动。
温馨提示:
1、题目前面的备注【字母数字编号】为本站整理分类的编号,与课题内容无关,请选题时忽视;
2、若题目上备注三维,则表示文件里包含三维源文件,由于三维组成零件数量较多,为保证预览截图的简洁性,本站将三维文件夹进行了打包。三维及CAD预览截图,均为本站电脑打开软件进行截图的,保证能够打开,下载原件超高清,下载后解压即可;
3、本站所有资源如无特殊说明,都需要本地电脑安装Office2007。图纸软件为AutoCAD,PROE,UG,SolidWorks,CATIA等;
4、本站所有图文资料仅供用户学习参考,不作为任何商用或其他用途;
5、本站不保证下载资源的准确性、安全性和完整性, 不包修改,不支持退换,同时也不承担用户因使用这些下载资源对自己和他人造成任何形式的伤害或损失;
6、 下载文件中如有侵权或不适当内容,请与我们联系,我们立即纠正。