

作品包括:
Word设计说明书1份,共46页,约15000字
CAD版本图纸,共10张

摘要
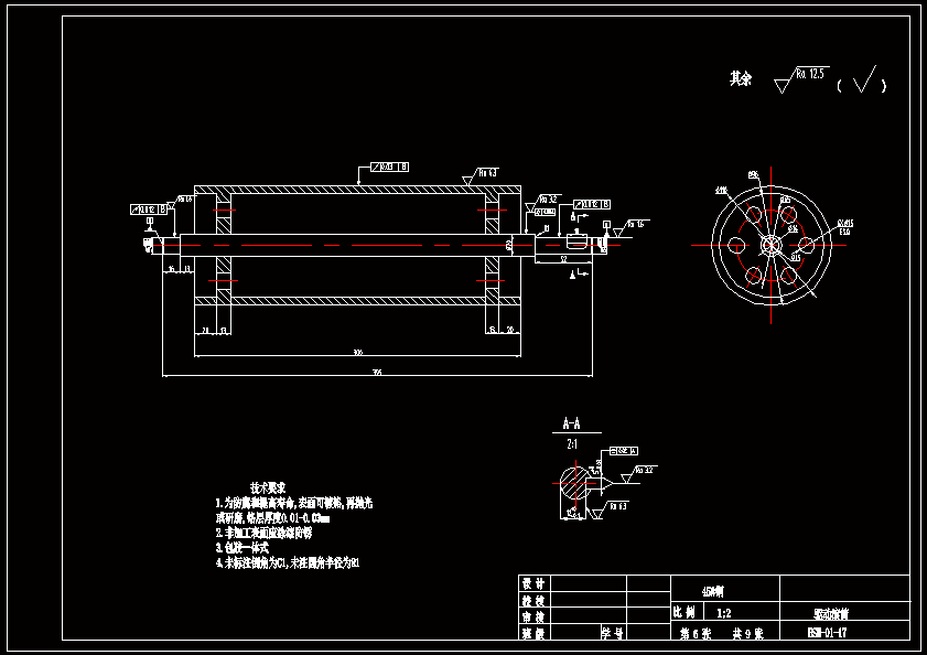
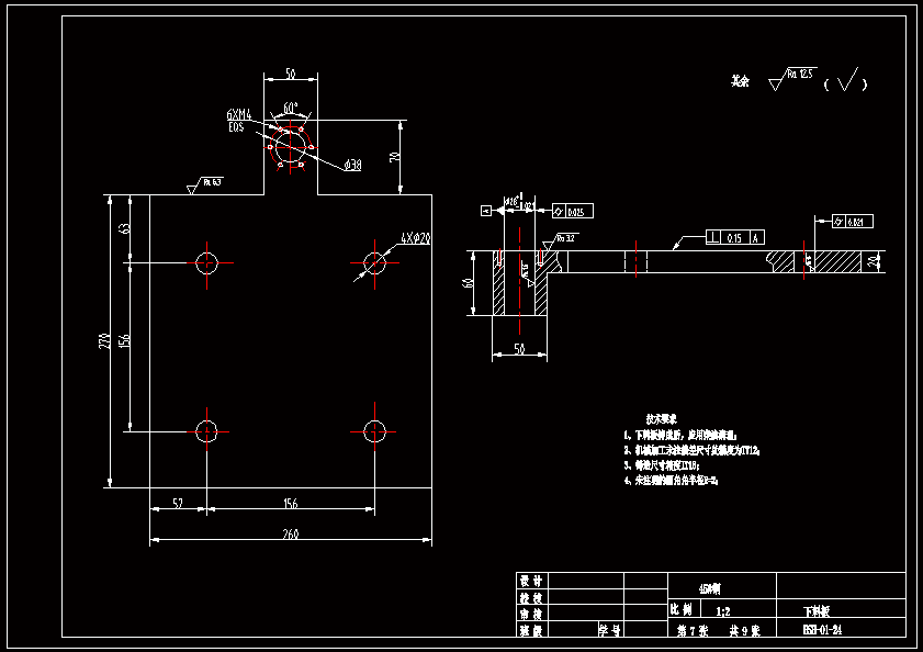
目前,在国内大多数生产活塞环的企业对其产品的检测手段还停留在人眼判读、手工测量的阶段,检测的工作强度比较大,精度也差,效率比较低,这写是对控制产品质量,提高生产率都是十分不利的。 在大规模化的生产条件下,为了提高质量,同时控制废品率。第一要合理的安排生产中的工艺流程和提高加工设备的精度,第二要逐步提高检测技术的能力。通过检测的高精度、高效率,来及时发现产品质量的变化以及影响产品质量的因素、及时对生产线的相关设备进行调整。让生产在合格的质量下闭环进行。因此,研制生产现场用的活塞环自动检测与分选装置是非常必要的。活塞环自动检测装置主要由上料、检测、分选等若干系统组成。整个检测过程是在计算机与PLC的控制下自动进行的。能够使工人在人工检测的高强度劳动中解放了出来,大大地提高了生产的效率和质量。
温馨提示:
1、题目前面的备注【字母数字编号】为本站整理分类的编号,与课题内容无关,请选题时忽视;
2、若题目上备注三维,则表示文件里包含三维源文件,由于三维组成零件数量较多,为保证预览截图的简洁性,本站将三维文件夹进行了打包。三维及CAD预览截图,均为本站电脑打开软件进行截图的,保证能够打开,下载原件超高清,下载后解压即可;
3、本站所有资源如无特殊说明,都需要本地电脑安装Office2007。图纸软件为AutoCAD,PROE,UG,SolidWorks,CATIA等;
4、本站所有图文资料仅供用户学习参考,不作为任何商用或其他用途;
5、本站不保证下载资源的准确性、安全性和完整性, 不包修改,不支持退换,同时也不承担用户因使用这些下载资源对自己和他人造成任何形式的伤害或损失;
6、 下载文件中如有侵权或不适当内容,请与我们联系,我们立即纠正。