

作品包括:
Word设计说明书1份
CAD版本图纸,共9张

摘要
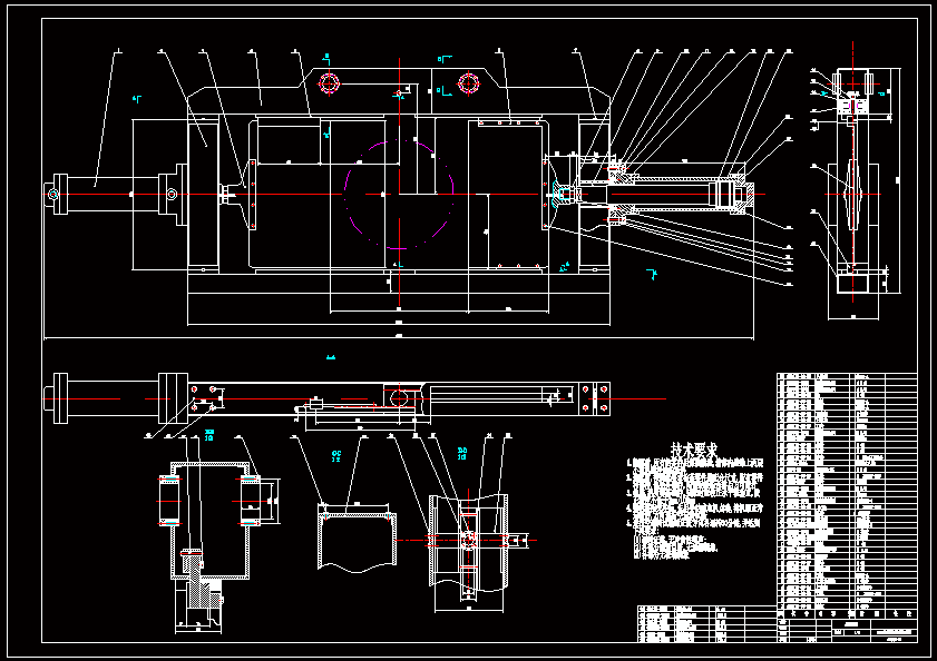
工字轮收线机的基本功能是将电线、电缆、钢丝等线材收卷在工字轮上。要实现这个功能,工字轮需要有一个绕其轮轴的转动,线材需要一个轴向往复运动。一般地,工字轮收线机主要有主传动系统、工字轮轴系、排线机构及工字轮控制装卸系统等部分组成。动力由力矩电机、直流电机、交流电机或电磁调速电机提供,经联轴器传动到变速箱,再由链轮、带轮或其他传动方式将动力传至收线机主轴,其主轴上固联的拔叉动工字轮并最终实现线材的收卷。线材的轴向往复运动,由排线机构实现。
温馨提示:
1、题目前面的备注【字母数字编号】为本站整理分类的编号,与课题内容无关,请选题时忽视;
2、若题目上备注三维,则表示文件里包含三维源文件,由于三维组成零件数量较多,为保证预览截图的简洁性,本站将三维文件夹进行了打包。三维及CAD预览截图,均为本站电脑打开软件进行截图的,保证能够打开,下载原件超高清,下载后解压即可;
3、本站所有资源如无特殊说明,都需要本地电脑安装Office2007。图纸软件为AutoCAD,PROE,UG,SolidWorks,CATIA等;
4、本站所有图文资料仅供用户学习参考,不作为任何商用或其他用途;
5、本站不保证下载资源的准确性、安全性和完整性, 不包修改,不支持退换,同时也不承担用户因使用这些下载资源对自己和他人造成任何形式的伤害或损失;
6、 下载文件中如有侵权或不适当内容,请与我们联系,我们立即纠正。