

作品包括:
Word设计说明书1份,共37页
CAD版本图纸,共4张

摘要
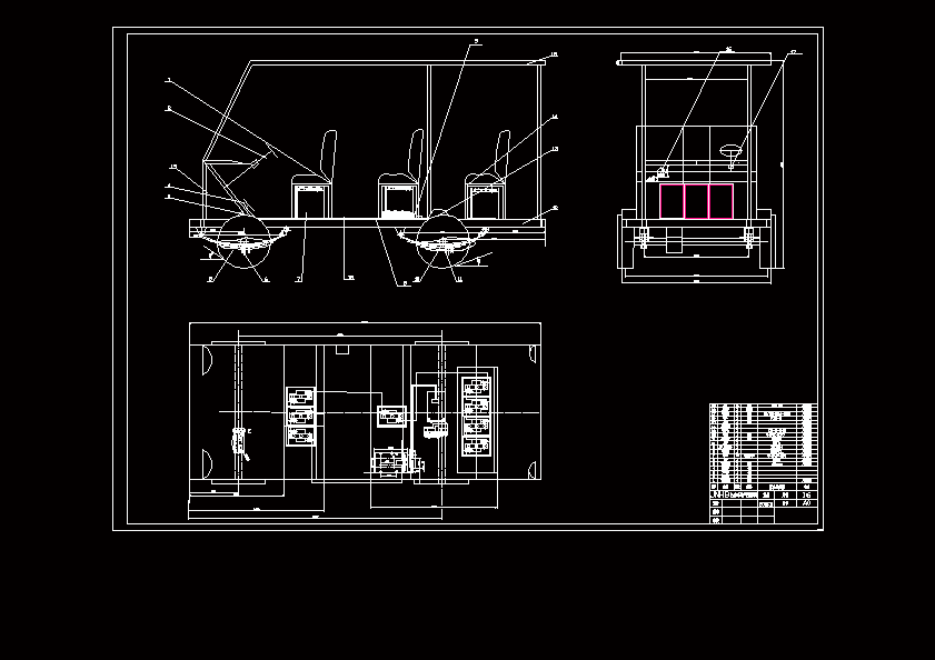
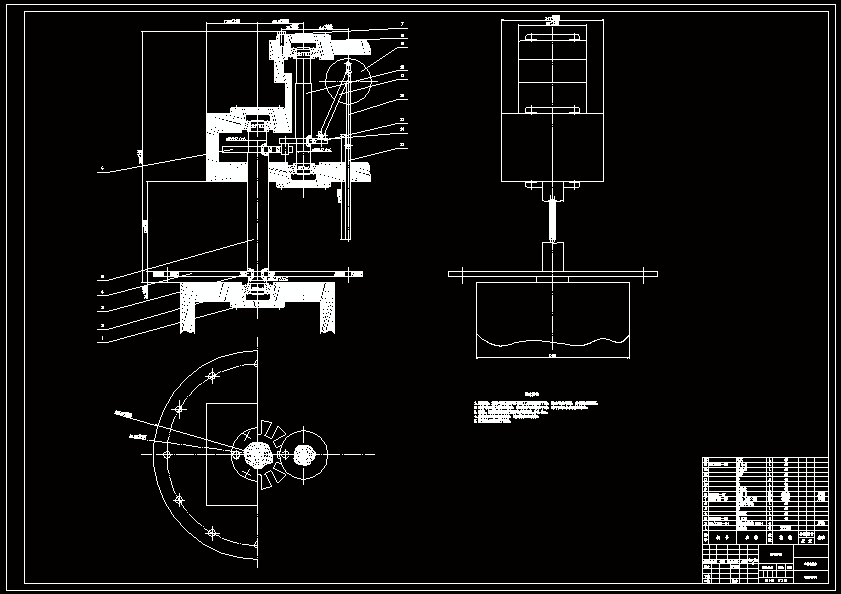
组合机床是一种专用的,高效的机床,可以根据具体的零件设计相对应的组合机床。组合机床不仅能够对工件进行多轴、多刀、多工位、多面同时加工;可完成钻孔、镗孔、扩孔、铣削、攻螺纹、车孔端面等工序,而且由于组合机床设计规范化,设计周期短,因此组合机床在现代制造业中的地位不断提升。 本次设计主要是针对主轴箱的五个大孔进行粗镗的组合机床的设计。设计的内容包括对主轴箱的加工工艺进行了详细的分析,组合镗床的总体设计以及多轴箱的设计。工艺方案的设计主要是考虑工艺的可行性并且合理的保证零件的几何形状、尺寸精度及位置精度等技术要求。组合镗床的总体设计主要是“三图一卡”的设计。三图的设计包括:被加工零件工序图、加工示意图、机床联系尺寸图,“一卡”是生产效率计算卡。多轴箱的设计主要传动系统方案的确定,再根据传动系统图确定手柄轴和油泵轴的位置安排;其次确定齿轮的传动比,计算齿轮齿数;然后进行坐标计算,验算中心距,计算所需要的变位齿轮的相关参数;绘制多轴箱装配总图,最后根据上面的内容设计组合钻床。
温馨提示:
1、题目前面的备注【字母数字编号】为本站整理分类的编号,与课题内容无关,请选题时忽视;
2、若题目上备注三维,则表示文件里包含三维源文件,由于三维组成零件数量较多,为保证预览截图的简洁性,本站将三维文件夹进行了打包。三维及CAD预览截图,均为本站电脑打开软件进行截图的,保证能够打开,下载原件超高清,下载后解压即可;
3、本站所有资源如无特殊说明,都需要本地电脑安装Office2007。图纸软件为AutoCAD,PROE,UG,SolidWorks,CATIA等;
4、本站所有图文资料仅供用户学习参考,不作为任何商用或其他用途;
5、本站不保证下载资源的准确性、安全性和完整性, 不包修改,不支持退换,同时也不承担用户因使用这些下载资源对自己和他人造成任何形式的伤害或损失;
6、 下载文件中如有侵权或不适当内容,请与我们联系,我们立即纠正。