

作品包括:
Word设计说明书1份,共50页,约19000字
外文翻译一份
CAD版本图纸,共7张

摘要
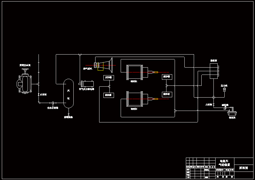
本次作为对四年所学专业知识的一次综合应用和全面的校验,设计共分主要部分,即一般部分和专题部分。一般部分为矿井四大件选型设计,专题部分为电机车的气制动改造设计。 一般部分内容主要是矿山固定机械设备的选型计算,包括:<一>矿井通风设备。<二>固定压气设备。<三>矿井排水设备。具体情况如下: <一>、矿井通风设备:风机的运转参数可以依据已知条件(风量、矿井阻力)在风机性能曲线图上确定。在这里有两种不同风机可供选择,一种是2K58NO.24轴流式风机,另一种2K60NO.28型轴流式风机。两种风机的主要比较参数有:1、效率。2、年耗电量。 <二>、固定压气设备 由已知条件和图表选择压气机和管网系统,本部分主要是8L-60/8型和5L-40/8型国产机的选型计算。 <三>、矿井排水设备:利用离心水泵的性能及特性曲线选择排水设备,通过比较DS450-100X6型和D280-100X6 型两台离心泵,最终选择D280-100X6 型7台离心泵。 在一般部分中的选型设计中,遵循的原则有: 1、 选型合理。 2、 注重经济效益,正确处理技术与经济两者之间的关系。 3、 计算简便可行。 4、 优先采用先进技术和新型设备。 5、 符合《煤矿设计规范》、《煤矿设计规程》和现行国家技术政策中的有关规定。
温馨提示:
1、题目前面的备注【字母数字编号】为本站整理分类的编号,与课题内容无关,请选题时忽视;
2、若题目上备注三维,则表示文件里包含三维源文件,由于三维组成零件数量较多,为保证预览截图的简洁性,本站将三维文件夹进行了打包。三维及CAD预览截图,均为本站电脑打开软件进行截图的,保证能够打开,下载原件超高清,下载后解压即可;
3、本站所有资源如无特殊说明,都需要本地电脑安装Office2007。图纸软件为AutoCAD,PROE,UG,SolidWorks,CATIA等;
4、本站所有图文资料仅供用户学习参考,不作为任何商用或其他用途;
5、本站不保证下载资源的准确性、安全性和完整性, 不包修改,不支持退换,同时也不承担用户因使用这些下载资源对自己和他人造成任何形式的伤害或损失;
6、 下载文件中如有侵权或不适当内容,请与我们联系,我们立即纠正。