

作品包括:
Word设计说明书1份,共52页,约22000字
CAD版本图纸,共17张

摘要
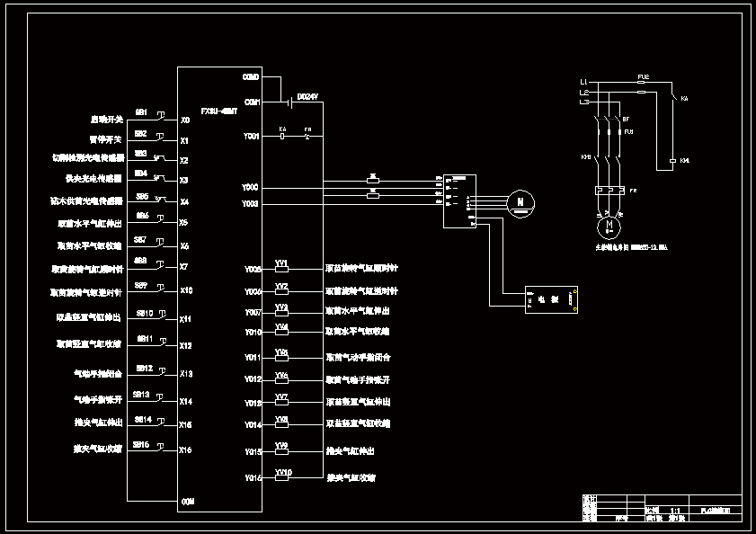
在电气控制方面,我们主要采用PLC的控制系统,由于PLC控制电路的多方面优点,使我们的控制方向变得不再繁琐。我们把控制进行了模块化,总共分为四个模块:自动送苗模块,自动取苗模块,自动送夹模块和自动推夹模块。 在机械机构设计方面,我们一方面结合机械设计手册上的参考,另一方面我们也以不是为了让自己看懂,而是为了让工厂里的工人看懂的原则,严格要求,仔细检查装配关系,认真计算校验安装。 在气动方向,我们在干路上主要采用气泵进行供气,储气泵,气雾剂,减压阀的元件,在各个支路上,我们采用节流阀来调节气缸的行进速度,用溢流阀来保证各个回路的安全运行,防止气缸的卡死。
温馨提示:
1、题目前面的备注【字母数字编号】为本站整理分类的编号,与课题内容无关,请选题时忽视;
2、若题目上备注三维,则表示文件里包含三维源文件,由于三维组成零件数量较多,为保证预览截图的简洁性,本站将三维文件夹进行了打包。三维及CAD预览截图,均为本站电脑打开软件进行截图的,保证能够打开,下载原件超高清,下载后解压即可;
3、本站所有资源如无特殊说明,都需要本地电脑安装Office2007。图纸软件为AutoCAD,PROE,UG,SolidWorks,CATIA等;
4、本站所有图文资料仅供用户学习参考,不作为任何商用或其他用途;
5、本站不保证下载资源的准确性、安全性和完整性, 不包修改,不支持退换,同时也不承担用户因使用这些下载资源对自己和他人造成任何形式的伤害或损失;
6、 下载文件中如有侵权或不适当内容,请与我们联系,我们立即纠正。