

作品包括:
Word设计说明书1份,共57页,约18000字
CAD版本图纸,共4张
摘要
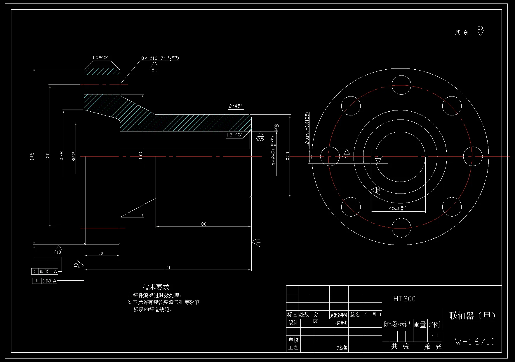
按照给定的设计参数,进行了压缩机的热力计算,确定了压缩机的基本结构参数和动力参数,通过比较和分析,确定了压缩机的基本结构形式和主要零件的结构尺寸,完成了压缩机的总体布置和设计,完成总装配图1张、零件图4张,完成主要零件的强度校核,根据的过程,编写说明书一份。
温馨提示:
1、题目前面的备注【字母数字编号】为本站整理分类的编号,与课题内容无关,请选题时忽视;
2、若题目上备注三维,则表示文件里包含三维源文件,由于三维组成零件数量较多,为保证预览截图的简洁性,本站将三维文件夹进行了打包。三维及CAD预览截图,均为本站电脑打开软件进行截图的,保证能够打开,下载原件超高清,下载后解压即可;
3、本站所有资源如无特殊说明,都需要本地电脑安装Office2007。图纸软件为AutoCAD,PROE,UG,SolidWorks,CATIA等;
4、本站所有图文资料仅供用户学习参考,不作为任何商用或其他用途;
5、本站不保证下载资源的准确性、安全性和完整性, 不包修改,不支持退换,同时也不承担用户因使用这些下载资源对自己和他人造成任何形式的伤害或损失;
6、 下载文件中如有侵权或不适当内容,请与我们联系,我们立即纠正。