

作品包括:
Word版说明书1份,共56页,约28000字
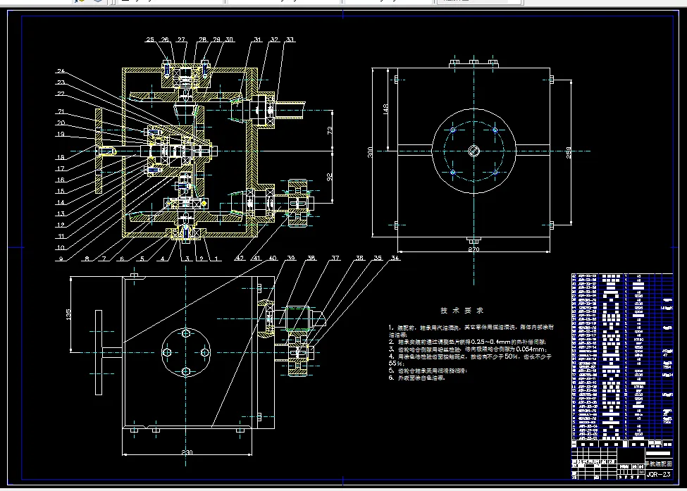
CAD版本图纸,共8张
摘 要
随着科技的发展和工业需求的增加,焊接技术在工业生产中所占据的分量越来越大,而且焊接技术的优良程度直接影响着零件或产品的质量。国内焊接机器人应用虽已具有一定规模,但与我国焊接生产总体需求相差甚远。因此,大力研究并推广焊接机器人技术势在必行。
本设计的重点是运用机械原理和机械制造装备设计方法设计焊接机器人的实践和方法。本次设计,是在了解焊接机器人在国内外现状的基础上,进而掌握焊接机器人内部结构和工作原理,并对手臂和腕部进行结构设计。合理布置了液压缸。同时了解机器人机械系统运动学及运动控制学。为工业上焊接机器人的设计提供理论参考、设计参考和数据参考,为工业设计者提供设计理论和设计实践的参考。该机器人具有刚性好,位置精度高、运行平稳的特点。
关键字:焊接机器人 结构设计 机械机构设计
目 录
1 绪论 2
1.1四自由度的工业机器人的概念 2
1.1.1操作机 3
1.1.2驱动单元 3
1.1.3控制装置 3
1.1.4人工智能系统 3
1.2题目来源 3
1.3技术要求 3
1.4本题要解决的主要问题及设计总体思路 3
2 国内外研究现状及发展状况 4
2.1研究现状 4
2.1.1工业四自由度的工业机器人 4
2.2.2先进四自由度的工业机器人 5
2.2发展趋势 6
3 总体方案设计 7
3.1机械结构类型的要求和确定 7
3.1.1圆柱坐标型 8
3.1.2直角坐标型 8
3.1.3球坐标型 8
3.1.4四自由度 8
3.1.5平面四自由度 9
3.2工作空间的确定 9
3.3手腕结构的确定 9
3.3.1手腕基本参数的确定 10
3.4大臂结构的确定 10
3.5驱动方案的确定 11
3.5.1 液压驱动 11
3.5.2气压驱动 12
3.5.3电动驱动 12
3.5.4对驱动装置的要求 14
3.6基本参数的设定 15
4 手腕详细设计说明 16
4.1手腕电机的选择 16
4.1.1提腕电机的选择 16
4.1.2摆腕和转腕电机的选择 16
4.2传动比的确定 16
4.2.1提腕总传动比的确定 16
4.2.2转腕和摆腕传动比的确定 16
用同样的方法,可求得 16
4.3传动比的分配 17
4.4齿轮的设计 17
4.4.1齿轮材料的选择 17
4.4.2提腕部分齿轮设计 17
a. 设计准则 17
由于小齿轮的分度圆直径较小,所以作成齿轮轴。 24
4.4.3转腕部分齿轮设计 24
4.5轴的设计和校核 27
4.5.1输出轴的设计 27
4.5.2传动轴的设计 27
4.5.3轴的强度校核 28
4.6轴承的选择 31
4.7夹持器的设计 33
4.8壳体的设计 33
5 控制系统的选择 33
5.1控制系统的选择 33
5.2控制系统的结构 33
5.3系统工作原理 33
5.4系统程序设计 35
6 联轴器选择 36
6.1选择联轴器应考虑的因素 36
6.1.1 动力机的机械特性 36
6.1.2 载荷类别 37
6.1.3 联轴器的许用转速 38
6.1.4 联轴器所联两轴相对位移 38
6.1.5 联轴器的传动精度 41
6.1.6 联轴器尺寸、安装和维护 42
6.1.7 工作环境 42
6.1.8 经济性 42
6.2 选用程序 43
6结论 44
参 考 文 献 45
温馨提示:
1、题目前面的备注【字母数字编号】为本站整理分类的编号,与课题内容无关,请选题时忽视;
2、若题目上备注三维,则表示文件里包含三维源文件,由于三维组成零件数量较多,为保证预览截图的简洁性,本站将三维文件夹进行了打包。三维及CAD预览截图,均为本站电脑打开软件进行截图的,保证能够打开,下载原件超高清,下载后解压即可;
3、本站所有资源如无特殊说明,都需要本地电脑安装Office2007。图纸软件为AutoCAD,PROE,UG,SolidWorks,CATIA等;
4、本站所有图文资料仅供用户学习参考,不作为任何商用或其他用途;
5、本站不保证下载资源的准确性、安全性和完整性, 不包修改,不支持退换,同时也不承担用户因使用这些下载资源对自己和他人造成任何形式的伤害或损失;
6、 下载文件中如有侵权或不适当内容,请与我们联系,我们立即纠正。