

作品包括:
Word版说明书1份,共29页,约10000字
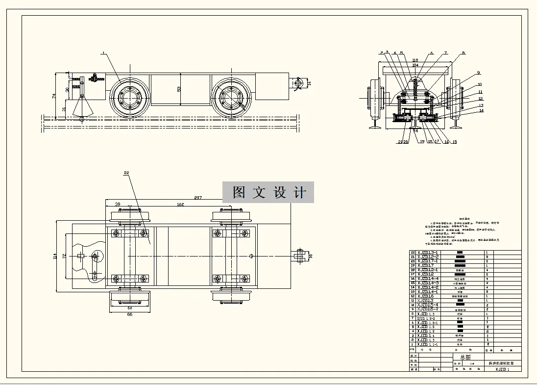
CAD版本图纸,共11张
设计总说明
本次毕业设计是拨叉加工小型自动线设计。小型自动线的主要特点是自动线的所有工位,都安置在一个整体机座上,因而结构紧凑、体积小,在工艺特点方面上,与回转台式小型组合机床相类似。适合于加工工序不太多的小型工件。在配置的灵活性和工艺的灵活性上要比回转台式小型组合机床优越,在结构和控制系统上则具有自动线的特征。
此小型自动线用于加工手扶拖拉机的三种CTZ6型变速拨叉的孔和端面,能同时地加工三种变速拨叉,采用随行夹具输送,并达到所要求的精度要求。该自动线加工工位是直线排列,随行夹具采用从自动线的下方返回方式,并利用鼓轮升降随行夹具,采用机械凸轮集中控制方式的控制系统,并利用PLC控制输送带运行节拍为一个生产节拍。这样有效地减少了工人数量,提高了劳动生产率和生产技术水平。
通过大量查阅资料确定了设计的总体方案,并研究分析了拨叉加工自动线的工艺及结构特点。从自动线的总体设计入手,逐步确定加工工艺方案、自动化方案及总体布局方案。设计了电机控制系统、驱动装置、中间底座等专用部件并提及了刚性主轴和变位油缸的工作原理。
目 录
设计总说明 I
INTRODUCTION II
1 绪论 3
1.1 自动线概述 3
2 拨叉加工小型自动线的总体设计 4
2.1 小型自动线的总体设计 4
2.2 加工CTZ6型拨叉的小型自动线 4
2.3 自动线的生产节拍 5
2.4 自动生产线节拍计算(见[ 1 ]) 5
2.5 零件工艺方案的拟定 5
2.5.1 分析毛坯情况 5
2.5.2 定为基准面的选择 5
2.6 自动线的工艺过程 6
2.6.1 拨叉工序图 6
2.6.2 自动线的工艺过程 7
2.6.3 切削用量的选择 7
2.7 工序节拍的平衡 8
2.7.1 概述 8
2.7.2 平衡工序节拍 8
2.8 自动线的总体布置及结构特点 11
2.8.1 自动线的总体布置 11
2.8.2 自动线的主要特点 13
2.9 自动线总联系尺寸图的绘制 14
2.9.1 输送带步距t的确定 14
2.9.2 机床与其他设备之间联系尺寸的确定 15
2.9.3 机床间距离L的确定 15
2.9.4 装料高度的确定 16
2.10 自动线周期表的绘制 16
2.10.1 概述 16
2.10.2 绘制周期表: 17
3 主要专用部件设计 19
3.1 驱动装置 19
3.2 中间底座 20
3.3 动力滑台 21
3.4 刚性主轴 21
3.5 变位油缸 22
鸣 谢 27
参考文献 1
温馨提示:
1、题目前面的备注【字母数字编号】为本站整理分类的编号,与课题内容无关,请选题时忽视;
2、若题目上备注三维,则表示文件里包含三维源文件,由于三维组成零件数量较多,为保证预览截图的简洁性,本站将三维文件夹进行了打包。三维及CAD预览截图,均为本站电脑打开软件进行截图的,保证能够打开,下载原件超高清,下载后解压即可;
3、本站所有资源如无特殊说明,都需要本地电脑安装Office2007。图纸软件为AutoCAD,PROE,UG,SolidWorks,CATIA等;
4、本站所有图文资料仅供用户学习参考,不作为任何商用或其他用途;
5、本站不保证下载资源的准确性、安全性和完整性, 不包修改,不支持退换,同时也不承担用户因使用这些下载资源对自己和他人造成任何形式的伤害或损失;
6、 下载文件中如有侵权或不适当内容,请与我们联系,我们立即纠正。