

作品包括:
Word说明书1份,共55页,约15000字
CAD版本图纸,共9张
摘要
本次剪板机的毕业设计要求其最大剪裁钢板厚度为20mm,剪裁宽度2500mm,每分钟最多可以剪裁30次。由三相交流电动机提供动力,经过一级带传动与二级齿轮传动减速。然后通过对心曲轴滑块的运动形式把电动机输出的旋转运动转化为往复直线运动,从而实现刀架上下往复运动,对板材进行剪切工作。控制系统使用电气元件控制。这种曲机械转动柄滑块式的的剪板机结构简单、制造容易,维修方便。
关键词:剪板机;曲柄滑块机构;
目录
1绪论 1
1.1剪板机的简介与发展趋势 1
1.2剪板机的分类 2
1.3剪板机的工作原理 2
2总体方案设计 4
2.1液压传动方案 4
2.2机械传动方案 5
2.2.1凸轮机构方案 5
2.2.2曲柄滑块机构方案 5
2.3设计的总体方案 6
3电动机的选择 8
3.1.电动机的选型 8
3.2电动机容量的选择 8
3.3计算传动装置的运动和动力参数 10
4带传动设计计算 12
4.1带的选型 12
4.2确定计算功率 12
4.3选择V带的型号 12
4.4确定带轮基准直径 12
4.5确定中心距和带轮的基准长度 13
4.6验算小带轮的包角 14
4.7确定V带根数 14
4.8求初拉力 及带轮轴上的压力 15
4.9小轮带的机构设计 15
4.10大轮带的机构设计 17
5齿轮的设计计算 19
5.1确定齿轮材料、精度等级及齿轮齿数 19
5.2确定设计准则 19
5.3按齿根弯曲强度设计 19
5.3.1确定式中内的各计算数值 19
5.3.2设计计算 20
5.4几何设计尺寸计算 21
5.5结构设计及绘制齿轮零件图 21
5.5.1对小齿轮的结构设计 22
5.5.2对大齿轮轮辐的设计 22
6高速轴的设计 25
6.1轴的材料选用 25
6.2轴径的最小许用值 25
6.3确定轴结构 26
6.3.1拟定轴上零件的装配方案 26
6.3.2根据轴向定位的要求确定轴的各段直径和长度 26
6.3.3确定轴上圆角和倒角尺寸 27
6.4轴的强度校核计算 27
6.5向心角接触轴承的寿命计算 29
7曲柄滑块机构设计 31
7.1曲柄滑块机构 31
7.2曲柄滑块机构运动规律 31
7.2.1曲柄滑块机构的运动分析 31
7.2.2曲柄滑块机构的受力分析 33
7.3曲轴的设计计算 34
7.3.1曲轴的机构设计 34
7.3.2曲轴的强度计算 35
7.4连杆的设计 37
7.5曲轴连杆机构中的滑动轴承 38
8控制系统设计 40
8.1离合器的选用 40
8.2制动器的选用 40
8.3离合器的操纵机构 42
8.4电动机的启动与制动 43
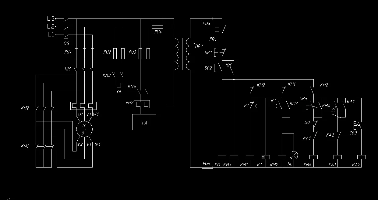
8.5剪板机的电器控制原理 45
结论 47
参考文献 48
致谢 49
温馨提示:
1、题目前面的备注【字母数字编号】为本站整理分类的编号,与课题内容无关,请选题时忽视;
2、若题目上备注三维,则表示文件里包含三维源文件,由于三维组成零件数量较多,为保证预览截图的简洁性,本站将三维文件夹进行了打包。三维及CAD预览截图,均为本站电脑打开软件进行截图的,保证能够打开,下载原件超高清,下载后解压即可;
3、本站所有资源如无特殊说明,都需要本地电脑安装Office2007。图纸软件为AutoCAD,PROE,UG,SolidWorks,CATIA等;
4、本站所有图文资料仅供用户学习参考,不作为任何商用或其他用途;
5、本站不保证下载资源的准确性、安全性和完整性, 不包修改,不支持退换,同时也不承担用户因使用这些下载资源对自己和他人造成任何形式的伤害或损失;
6、 下载文件中如有侵权或不适当内容,请与我们联系,我们立即纠正。