N2313-支撑柱注塑模设计
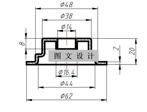
N2312-支座压铸模设计-长62
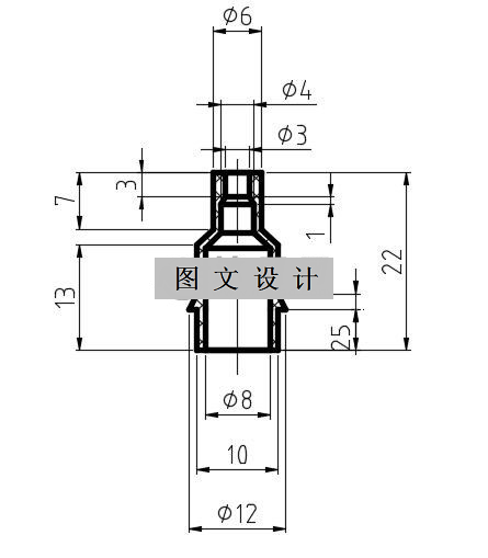
N2311-轴端护套注塑模设计-长25
N2310-E形垫片冲压模设计-长116
N2309-护罩注塑模设计-长70
N2308-空气净化器控制部分外壳注塑模设计【含UG三维图】
N2307-塑料透盖注塑模设计-长48
N2306-外壳注塑模设计-长100
N2305-圆形尖嘴盖注塑模设计-长64
N2304-云母片冲压模设计-长40
Z1200-底座注塑模设计-长58【含UG三维图】
N2302-垫片冲压模设计-外径29
N2301-端盖注塑模设计-长96
N2300-防尘套注塑模设计
N2299-防尘罩注塑模设计【含UG三维图】
N2298-放大镜注塑模设计【含UG三维图】
N2297-挡块注塑模设计-长70
N2296-管堵注塑模设计【含UG三维图】
N2295-管帽注塑模设计-长25
N2294-外壳注塑模设计-长180