N1910-窥视镜注塑模设计-一模四腔长58
N1909-窥视镜注塑模设计-长58
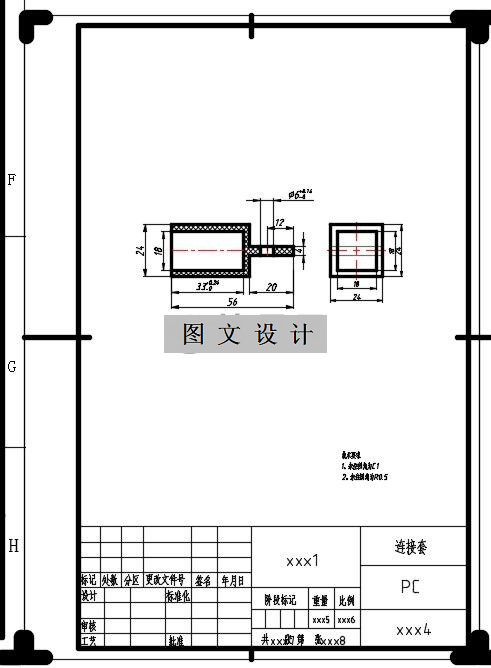
N1908-连接套注塑模设计-长56
N1907-三角板注塑模设计【含UG三维图】
N1906-剃须刀主体外壳注塑模设计【含UG三维图】
N1905-托板冲压模设计-长46
N1904-托架冲压模设计-长60.58
N1903-弯角级进模设计-长16
N1902-衣架注塑模设计【含UG三维图】
N1901-圆盖板注塑模设计【含UG三维图】
N1900-圆护罩冲压模设计-长72
N1899-圆形垫圈冲压模具设计-外径158
N1898-支架注塑模设计-长36.5【含UG三维图】
N1897-直角三角形注塑模设计【含UG三维图】
N1896-直接头注塑模设计-滑块抽芯【含UG三维图】
N1895-直接头注塑模设计
N1894-U形弯曲件冲压模设计-长25
N1893-底座注塑模设计【含UG三维图】
N1892-底座连接套注塑模设计【含UG三维图】
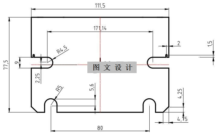
N1891-垫板落料模设计-长111.5