Z547-气缸垫护圈冲压模设计
N1771-汽车反光镜外壳注塑模设计【含UG三维图】
N1770-汽车镜盖注塑模设计【含UG三维图】
N1769-曲面盒盖注塑模设计【含UG三维图】
N1768-十字垫板复合模设计
N1767-手柄外壳注塑模设计【含UG三维图】
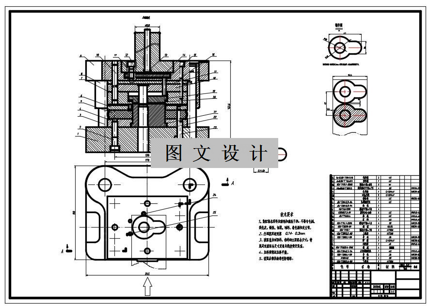
N1766-双耳外壳注塑模设计【含UG三维图】
N1765-双孔垫片冲压模设计
N1764-塑料电机外壳注塑模设计【含UG三维图】
N1763-凸缘拉伸件冲压模设计-长108
N1762-托架冲压模设计-长134
N1761-圆弧垫片冲压模设计
N1760-圆弧垫片冲压模设计
N1759-支架Hg注塑模设计【含UG三维图】
N1758-支架底板注塑模设计【含UG三维图】
N1757-直径35圆形垫片冲压模设计
N1756-轴承固定板冲压模设计-长46
N1755-多边形异形冲压模设计-长80
N1754-盒盖注塑模设计【含UG三维图】
N1753-托架冲压模设计-长80