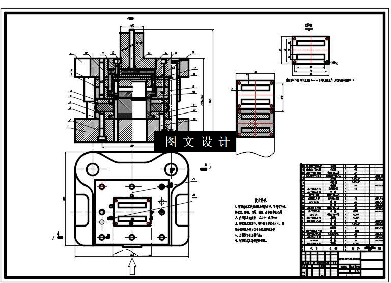
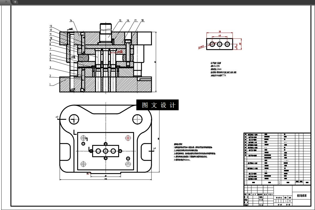
N5730-玩具外壳注塑模设计【含UG三维图】
N5729-相机盖注塑模设计【含UG三维图】
N5728-象鼻盖注塑模设计【含UG三维图】
N5727-修正带外壳注塑模设计【含UG三维图】
N5726-旋钮注塑模设计【含UG三维图】
N5725-遥控器A后盖注塑模设计【含UG三维图】
N5724-遥控器后盖注塑模设计【含UG三维图】
N5723-圆形盖子注塑模设计【含UG三维图】
N5722-充电器外壳注塑模设计【含UG三维图】
N5721-凳子注塑模设计【含UG三维图】
N5720-电子塑料外壳注塑模具设计【含UG三维图】
N5719-保温杯盒盖注塑模设计【含UG三维图】
N5718-带孔塑料罩注塑模设计-长48【含UG三维图】
N5717-显示器底座注塑模设计【含UG三维图】
N5716-电饭煲排气阀罩注塑模设计【含UG三维图】
N5715-波浪件复合模设计
N5714-三孔单工序冲孔模设计-长70
N5713-矩形垫片复合模设计-长80
N5712-电风扇转动组件注塑模设计【含UG三维图】
N5711-卷尺外壳注塑模设计【含UG三维图】