M7699-活页成形工艺分析及模具设计[含Proe三维图]
M7685-薄壁PE桶气动脱模的注射模具设计[含SW三维图]
M7682-计算机按键注塑模具设计
M7680-家用插线板注塑模具设计[含UG三维图]
M7679-家用插线板底座注塑模具设计[含UG三维图]
M7677-轿车主模式摇臂注塑模具设计[含UG三维图]
M7676-轿车左舵吹脚风道左侧注塑模具设计[含UG三维图]
M7675-同步轮塑件精密注塑模具设计[含UG三维图]
M7674-卡簧切断弯曲复合模的设计
M7672-扣板注射成型工艺与模具设计-平板电视底座后盖[含UG三维图]
M7669-连接件冷冲压模具设计
M7666-摩托车灯罩注塑模具设计
M7665-摩托车灯罩注塑模具设计[含三维图]
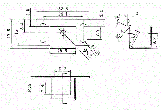
M7663-碰珠支撑板冲压工艺及模具设计-长32.8
M7660-浅拉深件复合模设计及加工动态模拟【油封端盖】
M7657-三江学院校徽塑料注塑模具设计[含UG三维图]
Z2042-上销回转架冲压工艺及模具设计
M7652-手机壳注塑模具设计[含UG三维图]
M7651-鼠标外壳模具设计及其主要零件数控加工[含UG三维图]
M7649-双耳架注塑模具设计[含UG三维图]