JJ5207-螺纹盖注塑模具设计
JJ5206-锥形齿轮注塑模具设计【含UG三维图】
JJ5205-拖拉机压板连接板冲压工艺及复合模具设计-长60
JJ5204-多孔塑料罩注塑模具设计-直径60
P905-轴承盖冲压工艺及模具设计
JJ5202-塑料端盖注塑模具设计-长100
JJ5201-凸字形垫片冲裁工艺及模具设计-长60
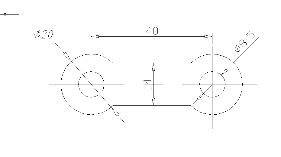
JJ5200-双耳止动垫圈冲压工艺及模具设计
JJ5199-链片冲压工艺及模具设计
JJ5198-山形冲片冲裁模设计【倒装复合模】
JJ5197-山形冲片冲裁模设计【正装复合模】
Z679-十字轴锻造模具设计
JJ5193-汽车半轴锻造模平锻模设计
JJ5192-高轮毂零件锻造模具设计
JJ5191-摇臂锻造模具设计
JJ5190-杆形零件锻造模平锻模设计
JJ5189-铝合金车轮锻造模具设计
JJ5188-拉杆锻造模具设计
JJ5187-传动杆锻造模具设计
JJ5186-圆锥齿轮零件的锻造模具设计