JJ4440-老人手机上壳外壳的注塑模具设计
JJ4439-薯片盖的注塑模具设计
JJ4438-电子产品外壳的注塑模具设计
P939-吹风机外壳注塑模具设计【含UG三维图】
JJ4436-监控摄像机头部内部前壳造型及注塑模具设计【含UG三维图】
JJ4435-弯板两次折弯冲压模具设计-2套模具长48
JJ4434-支撑圈冲压模具设计-4套模具长52
JJ4433-长方形垫板冲压模具设计-长35
JJ4432-吊耳冲压模具设计-U形槽板冲压模长90
JJ4431-电脑机箱侧板冲压模具设计
JJ4430-房门锁扣板套件冲压模具设计-2套模具
JJ4429-油杯冲压模具设计
JJ4428-易拉罐拉环冲压模具设计
JJ4427-U形筒形件的拉深挤边复合模设计-长78
JJ4426-连接片的级进模具设计
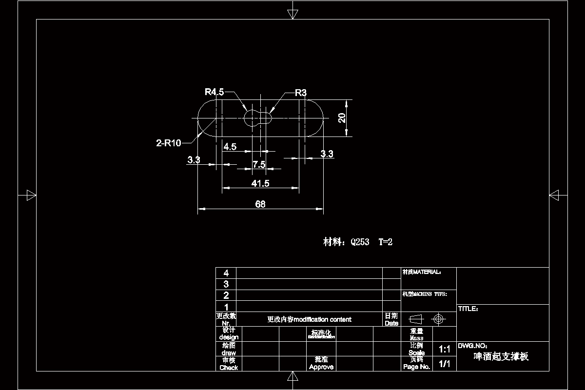
JJ4425-啤酒起支撑板的冲孔落料模具设计-长68
JJ4424-φ40翻边筒形件、U型弯曲件的弯曲冲压模具设计-长100
JJ4423-挡板的冲裁级进模设计
JJ5555-L形垫板垫片冲压件冲压模具设计-外径26【含Proe三维图】
JJ4422-φ80翻边端盖的冲压模具设计与成形工艺-长80