Z369-弹簧片冲压模具设计-2套模具
JJ4241-搅拌筒碟片冲压成形工艺分析及模具设计-3套模具
JJ4240-垫片冲压模具设计-长48
JJ4239-Φ50单圆孔垫片、M16螺栓垫圈的冲压工艺及模具设计外径50
JJ4238-山字形挡片落料冲孔倒装复合模设计-孔距73
JJ4237-弹簧座多工位级进模设计【含Proe三维图】
JJ4236-HTC手机屏蔽罩框级进成型工艺与级进成形设计
JJ4235-订书机内推程弹片的多工位级进模设计【含Proe三维图】
JJ4234-台灯罩冲压模具设计-2套模具
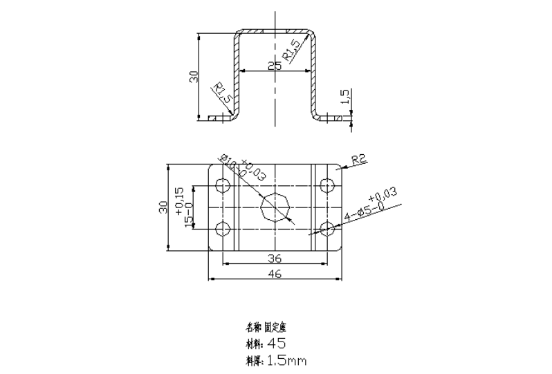
JJ4233-固定座冲压级进模设计
JJ4232-齿轮锁片冲压工艺与落料冲孔模设计
JJ4231-拉手零件拉深模具设计
JJ4230-筒壁多侧孔冲模设计-旋转式钻侧孔冲模设计【含UG三维图】
JJ4229-柴油机通风口座子复合模具设计
P971-汽车轮毂压铸模具设计【含UG三维图】
JJ4227-T型杆冷墩模具设计
JJ4226-端盖零件冲孔切边复合模设计-长78
JJ4225-圆孔垫片冲压倒装复合模设计-外径40
JJ4224-金属纽扣冲压级进模设计
P320-外壳冲压成形工艺及模具设计【带凸缘筒形件】长101