P147-糖果盒盖模具设计
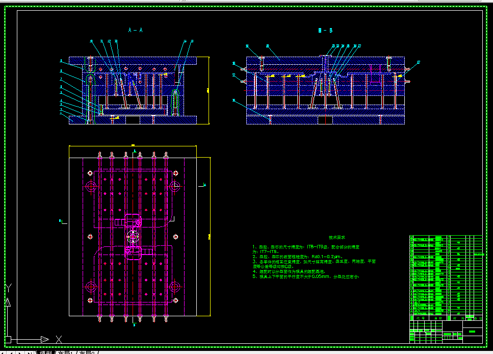
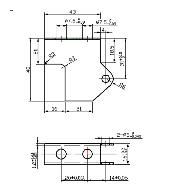
P144-耳朵片复合模设计
P141-蒸发器上壳体注塑模设计
P140塑料模具课程设计-衬套注射模具设计
P130-锐意车工具箱盖双型腔注射模模具设计
P124-面巾纸塑料盒注塑模具的设计
P121-骨轮零件的注射模设计
P106-游戏机按钮注塑模具设计
P105-成型娶酰胺(尼龙)软管接头的注射模具设计
P103-空气滤清器壳正反拉伸复合模设计
P102-手提箱提手塑料注射模具设计
P098-连杆并排式双件锻造工艺及模具设计
P096-纺织机摇架后支架零件冲压模具设计与制造
P086-电动车短臂零件冲压成形模具设计
P080-PP塑料碗注塑模设计
P079-复杂板金件成型模具设计[含Proe三维图]
P078-自行车脚蹬内板复合模设计
P066-镜头盖注塑模模具设计[抽芯]
P052-吹风机头注射模设计[抽芯]-含Proe三维图
P050-摩托车塑料挡板注塑模具设计[数控仿真加工]