E112-密封内盖注射模设计
E103-六边形垫片的复合模设计-外径50
E101-滤油器支架模具设计[3套模具]
E100-漏电保护器开关底盖注射模设计
E097-电器开关网芯零件冲压工艺及模具设计[2套模具]
E095-摩托车油箱注油口冲压工艺及模具设计[3套模具]
E085-电话听筒注射模设计
E083-外壳落料拉深模具设计
E082-铰链卷圆冲压模具设计
E081-阶梯圆筒落料拉深模具设计-长39
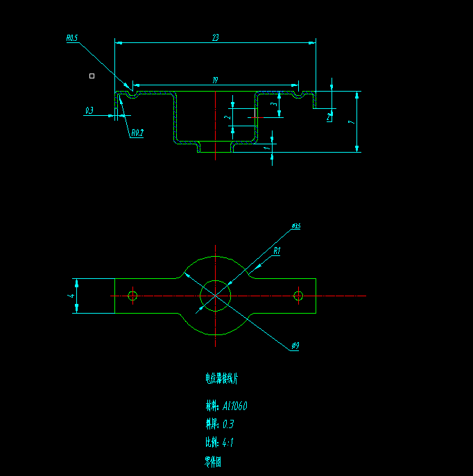
E071-电位器接线片冲压工艺与模具设计
E054-电器盒盖塑料注射模设计
E053-塑料挂钩座注射模具设计
E051-汽车玻璃升降器复合模的设计
E050-雪碧瓶盖注塑模设计
E049-接触片冲模设计[含Proe三维图]
E038-支撑板零件冲压工艺及模具设计[2套模具]
E002-电池后盖塑料模具设计
E001-风扇安装板的注射模设计
D958-台阶端盖注塑模具设计-长65