

作品包括:
设计说明书一份,共39页,约18000字
任务书一份
外文翻译一份
开题报告一份
CAD版本图纸,共11张
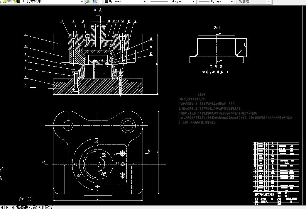
油箱注油口冲压工艺及模具设计
摘要:本次毕业设计的任务是完成油箱注油口的冲压工艺分析及模具的设计,设计之前首先要对当今国内外冲压和模具设计进行一定程度的研究,了解模具发展的现状和未来的发展趋势。通过这些研究能够认识到冲压工艺具有生产效率高、质量稳定、成本低以及可加工复杂形状工件等一系列优点,在机械、汽车、轻工、国防、电机电器、家用电器,以及日常生活用品等行业应用非常广泛,占有十分重要的地位。
通过对工件的分析,最终确定了落料、拉深、冲孔复合、翻边、对所有边修整这一套相对合理的方案,首先根据任务中要求的油箱注油口的尺寸计算出冲压前的毛坯尺寸,进而设计排样方式,再计算模具在落料、拉深、冲孔中的尺寸和翻边模以及垂直切边模的尺寸,最终通过尺寸和要求选定模具的构架并且设计好各个主要零部件,完成所有设计后再根据设计内容绘制了落料、拉深、冲孔复合模,翻遍模和切边模等工序的模具装配图以及凹、凸模的零件图。
关键词:油箱注油口 冲压 模具 翻边模 垂直切边模
目 录
1 绪 论 1
1.1 课题背景 1
1.2 冲压工艺及模具设计的发展 2
1.3 冲压工艺及模具设计国内外发展水平综述 3
1.3.1 国外研究发展概述 3
1.3.2 我国模具工业发展概况 5
1.4 本论文的主要研究内容 9
2 工件冲压工艺分析 9
2.1 冲压工艺分析 9
3 零件冲压工艺方案的确定 11
3.1 工件冲压方案 11
3.2 翻边前毛坯尺寸计算 11
3.3 零件拉深前毛坯尺寸计算 13
3.4 冲裁排样方式的设计及计算 14
4 第一副模具(落料、拉深、冲孔复合模)的设计与计算 16
4.1 各工序压力计算 16
4.2 压力机的初步选用 17
4.3 模具类型及结构形式的选择与计算 19
4.4模具工作部分刃口尺寸和公差的计算 20
4.4.1落料凸、凹模的刃口尺寸 20
4.4.2拉深凹、凸模刃口尺寸计算 21
4.4.3冲孔凹、凸模刃口尺寸计算 22
4.5 模具其他零件的设计与计算 23
4.5.1 模架的选用 23
4.5.2定位零件 24
4.5.3卸料与推(顶)件装置 24
4.5.4固定及连接零件 25
4.5.5模具压力中心的设计与计算 26
5 第二副模具(翻边模)的设计与计算 28
5.1 各工序压力计算 28
5.2 压力的机选用 28
5.3 翻边凸、凹模刃口尺寸的计算 29
5.4 翻边模结构设计及模架选择 30
6 第三副模具(垂直切边模)的设计与计算 32
6.1 各工序压力的计算与压力机的初步选用 32
6.2 切边凹、凸模刃口尺寸计算 33
6.3 模具结构设计及模架的选用 34
结 论 36
致 谢 38
参考文献 39
温馨提示:
1、题目前面的备注【字母数字编号】为本站整理分类的编号,与课题内容无关,请选题时忽视;
2、若题目上备注三维,则表示文件里包含三维源文件,由于三维组成零件数量较多,为保证预览截图的简洁性,本站将三维文件夹进行了打包。三维及CAD预览截图,均为本站电脑打开软件进行截图的,保证能够打开,下载原件超高清,下载后解压即可;
3、本站所有资源如无特殊说明,都需要本地电脑安装Office2007。图纸软件为AutoCAD,PROE,UG,SolidWorks,CATIA等;
4、本站所有图文资料仅供用户学习参考,不作为任何商用或其他用途;
5、本站不保证下载资源的准确性、安全性和完整性, 不包修改,不支持退换,同时也不承担用户因使用这些下载资源对自己和他人造成任何形式的伤害或损失;
6、 下载文件中如有侵权或不适当内容,请与我们联系,我们立即纠正。