

作品包括:
word说明书一份,共37页,约11000字
CAD版本图纸,共7张
摘要
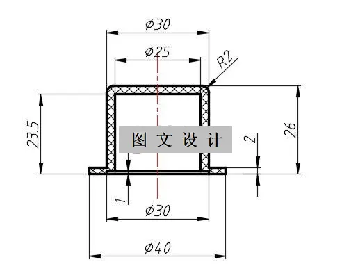
本论文设计了仪器外壳的叠层式热流道模具结构。该模具有2层,每层8个型腔,一次可成型16个产品,该模具是普通注射成型产量的2倍,大大提高生产力。本次模具设计采用的是无流道凝料浇筑系统,不考虑浇道的凝料脱出,减少了分型面,并缩短了成型周期,降低了整个生产成本。而且还采用了齿轮齿条开模机构,在确保俩层型腔同时开模又比较经济。使热流道板的热胀变形问题和浇口的平衡问题有一个很好的解决,基本确保同时充模和充模的稳定可靠性。该模具还采用闭合式喷嘴和闭合式主流道杯,解决了浇口和主流道始端的流涎问题,它采用热电偶控制喷嘴温度和流道板温度。在设计中,为减少热传导热损失。在流道板和型腔板之间采用空气隔热,并加隔热垫,从而降低模具和流道板之间的接触面积,并发挥了支撑热流道板的作用。喷嘴和主流道杯均采用隔热套隔热。
关键词 热流道;叠层式模具;浇口平衡;防流涎
saliva flows
目 录
摘要 II
Abstract III
1 绪论 1
2 制品设计 3
2.1制件图 3
2.2产品使用要求 4
2.3产品材料 4
3 工艺分析 5
3.1 塑料特性 5
3.2 塑料的注射工艺条件 5
3.3 塑件使用材料的工艺分析 6
4选择设备 7
5模具设计 8
5.1 模具结构设计 8
5.1.1 选择分型面 8
5.1.2 布置型腔 8
5.1.3 确定成型零部件结构 9
5.1.4 浇注系统结构设计 9
5.1.5 开模机构设计 10
5.1.6 脱模机构设计 11
5.1.7 温控系统设计 11
5.2主要零部件尺寸计算 11
5.2.1 成型零部件尺寸计算 11
5.2.2 确定模具各部分结构尺寸 17
5.2.3 浇注系统计算 18
5.2.4 冷却系统计算 21
5.2.5 推出机构计算 25
5.3 校核 28
5.3.1 模具与注射机关系校核 28
5.3.2 物料流程与流动比校核 29
结论 30
致谢 31
参考文献 32
温馨提示:
1、题目前面的备注【字母数字编号】为本站整理分类的编号,与课题内容无关,请选题时忽视;
2、若题目上备注三维,则表示文件里包含三维源文件,由于三维组成零件数量较多,为保证预览截图的简洁性,本站将三维文件夹进行了打包。三维及CAD预览截图,均为本站电脑打开软件进行截图的,保证能够打开,下载原件超高清,下载后解压即可;
3、本站所有资源如无特殊说明,都需要本地电脑安装Office2007。图纸软件为AutoCAD,PROE,UG,SolidWorks,CATIA等;
4、本站所有图文资料仅供用户学习参考,不作为任何商用或其他用途;
5、本站不保证下载资源的准确性、安全性和完整性, 不包修改,不支持退换,同时也不承担用户因使用这些下载资源对自己和他人造成任何形式的伤害或损失;
6、 下载文件中如有侵权或不适当内容,请与我们联系,我们立即纠正。