

作品包括:
Word版说明书1份,共25页
任务书一份
开题报告一份
CAD版本图纸,共14张

摘要
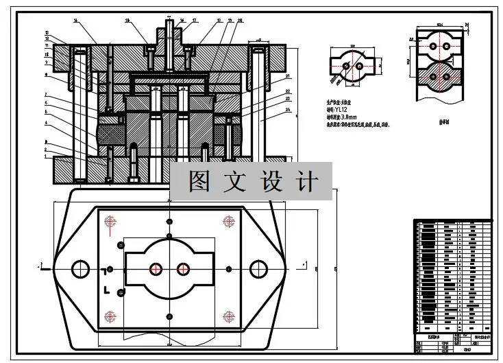
连接片模具设计时,首先要设计正式装配图,再绘制每个零件图。绘制装配图,在装配图中,要确定模具所使用的模架形式(包括导向系统),卸料结构,导料装置,送料和步距方式,凸、凹模的结构形式及固定方法等。对模具零件图一般是指非标准件或采用标准件需要局部加工的地方,这些零件均需绘制,模具零件图视图的多少,以能看明白图形为标准。由于多工位级进模结构复杂,因此设计完图样后应附有一份简明的说明书,包括选用冲床、模具闭合高度、模柄直径、轮廓尺寸、规定行程范围、每分钟冲压次数、选用自动送料机构的型号、送料步距和步距公差等,还要说明安装调整要点。在说明书中要明确模具刃磨和维修的注意事项,如哪些凸模、凹模镶件要拆下刃磨,在刃磨后需调整的各工作部分的相对高度值等。要有易损件、备件明细表等。模具完成后,装配图和零件图都要编号并必须进行校核,校核工作很重要,它对减少差错,提高质量是有益的。
目录
第1章级进模简介1
1.1多工位级进模的特点1
1.2多工位级进模的分类2
1.3多工位级进模设计步骤3
第1章连接片工艺分析3
2.1冲裁设计题目3
2.2连接片的毛坯尺寸计算3
第3章连接片的排样设计5
3.1排样设计的原则5
3.2排样图设计应考虑的因素5
3.3冲切刃口设计6
3.4种切刃口设计的原则6
3.5步距和导正定位设计6
第4章压力机的选择和校核10
4.1.冲裁力计算10
4.2缷料力计算12
4.3总的冲压力13
4.4压力机选择13
第5章模具刃口尺寸计算14
第6章模具结构零件19
6.1卸料装置19
6.2选用模架的依据和考虑的问题20
6.3模架的导向装置20
6.4固定板21
6.5垫板21
致谢22
参考文献23
温馨提示:
1、题目前面的备注【字母数字编号】为本站整理分类的编号,与课题内容无关,请选题时忽视;
2、若题目上备注三维,则表示文件里包含三维源文件,由于三维组成零件数量较多,为保证预览截图的简洁性,本站将三维文件夹进行了打包。三维及CAD预览截图,均为本站电脑打开软件进行截图的,保证能够打开,下载原件超高清,下载后解压即可;
3、本站所有资源如无特殊说明,都需要本地电脑安装Office2007。图纸软件为AutoCAD,PROE,UG,SolidWorks,CATIA等;
4、本站所有图文资料仅供用户学习参考,不作为任何商用或其他用途;
5、本站不保证下载资源的准确性、安全性和完整性, 不包修改,不支持退换,同时也不承担用户因使用这些下载资源对自己和他人造成任何形式的伤害或损失;
6、 下载文件中如有侵权或不适当内容,请与我们联系,我们立即纠正。