

作品包括:
Word版说明书1份,共24页,约15000字
CAD版本图纸,共19张
Proe三维图一套


摘要
模具是一种技术密集、资金密集型产品,是能生产出具有一定形状和尺寸要求的零件的一种生产工具,这种工具由各种零件构成,不同模具由不同零件构成。精密冲裁技术简称精冲技术。精冲技术组合了冲压技术的经济性和一般机械加工方法的高精度,在不少场合可取代铸造加工、锻压加工、车加工、钻加工、磨加工等工艺。精密冲裁是使用特殊结构的模具在三动专用精冲压力机或改装的普通压力机上,对适宜的精冲材料施加强大压力并施加润滑剂的情况下进行冲压,从而获得尺寸精度允许误差孝形位精度高以及剪切面光洁、平整的冲压零件。精冲属于无屑加工技术,也可以说精冲是光洁冲裁的一种,它是利用带齿压料版的精冲模使冲件整个断面全部或基本全部光洁的一种精密冲裁工序。
本次设计建模采用Pro/Engineer,绘图采用AutoCAD;。Pro/Engineer操作软件是美国参数技术公司(PTC)旗下的CAD/CAM/CAE一体化的三维软件。Pro/Engineer软件以参数化着称,是参数化技术的最早应用者,在目前的三维造型软件领域中占有着重要地位。AutoCAD(Autodesk Computer Aided Design)是Autodesk(欧特克)公司首次于1982年开发的自动计算机辅助设计软件,用于二维绘图、详细绘制、设计文档和基本三维设计,现已经成为国际上广为流行的绘图工具。AutoCAD具有良好的用户界面,通过交互菜单或命令行方式便可以进行各种操作。它的多文档设计环境,让非计算机专业人员也能很快地学会使用。
关键词:模具设计;冲压;精冲模;侧滑板。
目录
第一章压力机的选择·············································1
1.1压力机的选择原则················································1
1.2计算精冲压力····················································1
1.3选择压力机······················································2
1.4压力机主要性能参数··············································2
1.5降低冲裁力的方法················································2
第二章模架初步设计·············································5
第三章冲裁·····················································6
3.1冲裁断面质量····················································6
3.2冲裁间隙························································6
3.3冲裁件的排样与搭边··············································9
3.4冲裁模凸、凹模刃口尺寸计算······································11
3.5模具压力中心的计算·············································15
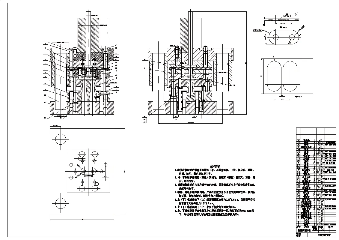
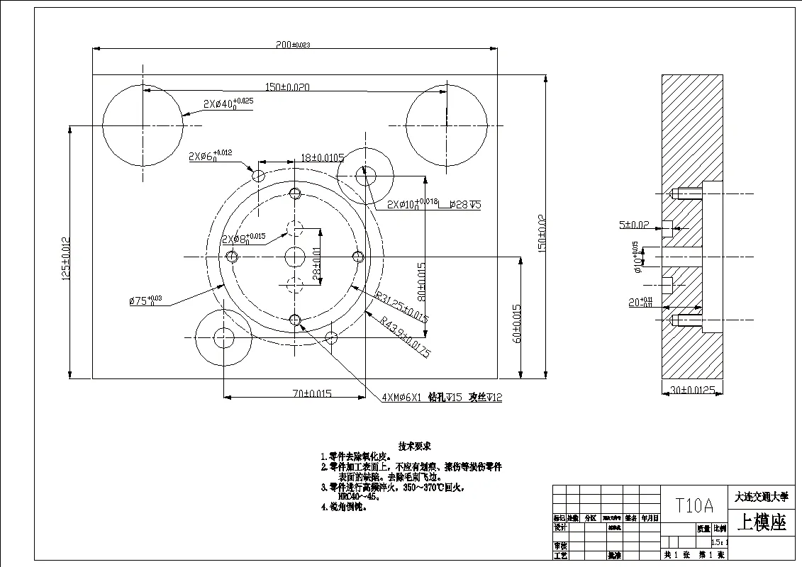
第四章冲裁主要零部件结构设计··································16
4.1工作零件的设计·················································16
4.2定位零件的设计·················································17
4.3模架···························································17
第五章常用模具钢的一般性能要求································18
5.1冲压模具钢的一般性能要求·······································18
5.2常用冲压模具钢种类·············································18
谢辞······························································20
参考文献··························································21
温馨提示:
1、题目前面的备注【字母数字编号】为本站整理分类的编号,与课题内容无关,请选题时忽视;
2、若题目上备注三维,则表示文件里包含三维源文件,由于三维组成零件数量较多,为保证预览截图的简洁性,本站将三维文件夹进行了打包。三维及CAD预览截图,均为本站电脑打开软件进行截图的,保证能够打开,下载原件超高清,下载后解压即可;
3、本站所有资源如无特殊说明,都需要本地电脑安装Office2007。图纸软件为AutoCAD,PROE,UG,SolidWorks,CATIA等;
4、本站所有图文资料仅供用户学习参考,不作为任何商用或其他用途;
5、本站不保证下载资源的准确性、安全性和完整性, 不包修改,不支持退换,同时也不承担用户因使用这些下载资源对自己和他人造成任何形式的伤害或损失;
6、 下载文件中如有侵权或不适当内容,请与我们联系,我们立即纠正。