

作品包括:
Word版说明书1份,共34页
任务书一份
外文翻译一份
CAD版本图纸,共12张


摘要
塑料工业的飞速发展,对注塑模具的设计与生产提出了质量好、制造精度高、研发周期短等越来越高的要求,能否适应这种需求已成为模具生产企业发展的关键因素。模具技术是融合机械工程、计算机应用、自动控制、数控技术等学科为一体的综合性学科。
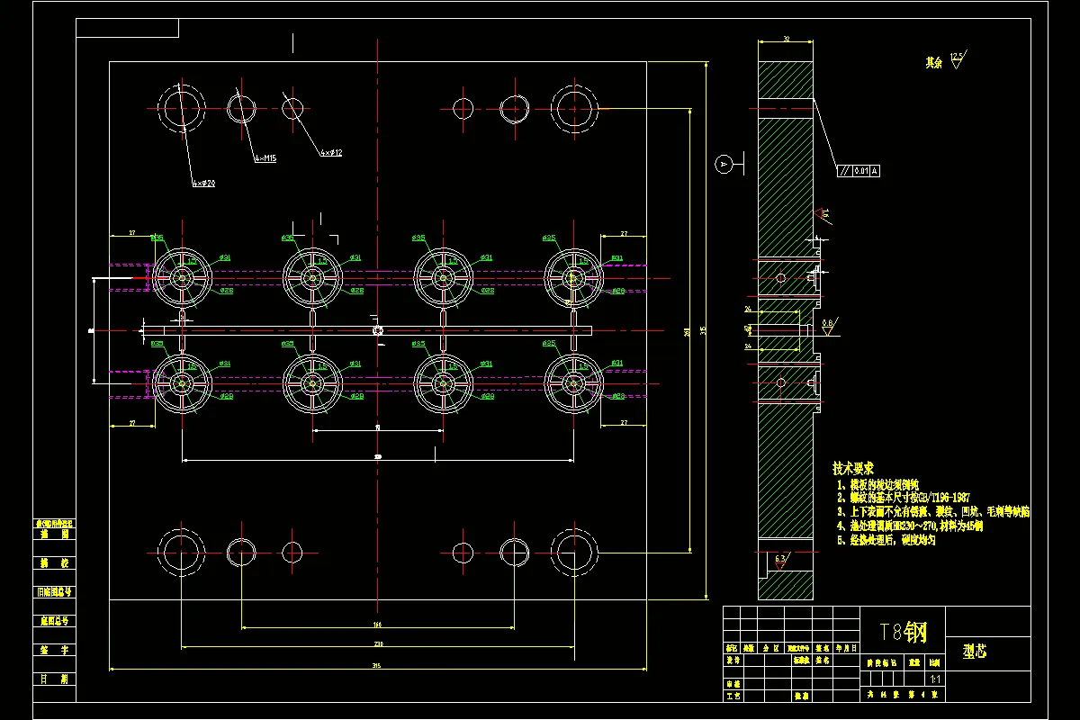
本文中针对泵盖注射模具制定出合理的设计结构,其中包括成型部分及其零部件设计,浇注系统设计,脱模机构设计,冷却系统设计等。根据分析,设计了一套塑料注射模具,并对模具以及主要零件进行了CAD绘图。
摘要II
目录III
第1章绪论1
1.1概述1
1.2塑料模现状1
1.3模具产品发展趋势2
1.4本课题的设计步骤4
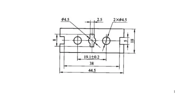
第2章塑件的工艺分析6
2.1塑件的工艺性分析6
2.2塑件的结构和尺寸精度及表面质量分析9
2.2.1结构分析9
2.2.2尺寸精度分析9
2.2.3表面质量分析9
2.3计算塑件的体积和质量9
第3章注塑模设计10
3.1注射模具分型面的选择10
3.1.1分型面的基本形式10
3.1.2分型面选择的基本原则10
3.1.3分型面的选择10
3.2浇注系统的设计10
3.2.1浇注系统的组成10
3.2.2注射模具主流道的设计11
3.2.3分流道的设计12
3.2.4浇口的设计13
3.2.5冷料穴和钩料脱模装置16
3.3型腔数目的确定及型腔的排列16
3.3.1型腔数目的确定16
3.3.2型腔的排列18
第4章成型零件和模体的设计18
4.1模具型腔的结构设计18
4.2型芯的结构设计20
4.3成型零件的尺寸确定20
第5章顶出机构的设计21
第6章冷却系统的设计23
第7章排气系统24
第8章注塑机有关参数校核25
总结27
参考文献28
致谢29
温馨提示:
1、题目前面的备注【字母数字编号】为本站整理分类的编号,与课题内容无关,请选题时忽视;
2、若题目上备注三维,则表示文件里包含三维源文件,由于三维组成零件数量较多,为保证预览截图的简洁性,本站将三维文件夹进行了打包。三维及CAD预览截图,均为本站电脑打开软件进行截图的,保证能够打开,下载原件超高清,下载后解压即可;
3、本站所有资源如无特殊说明,都需要本地电脑安装Office2007。图纸软件为AutoCAD,PROE,UG,SolidWorks,CATIA等;
4、本站所有图文资料仅供用户学习参考,不作为任何商用或其他用途;
5、本站不保证下载资源的准确性、安全性和完整性, 不包修改,不支持退换,同时也不承担用户因使用这些下载资源对自己和他人造成任何形式的伤害或损失;
6、 下载文件中如有侵权或不适当内容,请与我们联系,我们立即纠正。