

作品包括:
Word版说明书1份,共32页,约13000字
任务书一份
开题报告一份
外文翻译一份
CAD版本图纸,共15张
UG三维图一套
![1711888565838566.webp 25GZ40DYJ~6G91O6Z1FJ4]N.webp](/static/upload/image/20240331/1711888565838566.webp)
摘 要
塑料是一种可塑性的合成高分子材料,具有重量轻且坚固,耐化学腐蚀, 电绝缘性好,价格便宜,可塑性好等特点,广泛应用于电脑、手机、汽车、电机、 电器、家电和通讯产品制造中。 注射成形是成形塑件的主要方法之一, 是指使用注射机将热塑性塑料熔体在 高压下注入到模具内经冷却固化获得产品的方法。注射的优点是生产速度快,效 率高,操作可自动化,能成型形状复杂的零件,特别适合大量生产。 本次设计的产品为美工刀把手,具有重量轻,强度高,耐腐蚀,易清洁等 特点,为大批量生产产品。本次设计在针对产品进行工艺性分析后,确定模具分 型面、 型腔数目、 浇口形式、 位置大小; 其中最重要的是确定型芯和型腔的结构, 以及它们的定位和紧固方式。此外还进行了脱模机构的设计,合模导向机构的设 计,冷却系统的设计等。最后绘制完整的模具装配总图和主要的模具零件图及编 制成型零部件的制造加工工艺过程卡片。实践证明:该模具结构合理、可靠,并 能保证产品质量,对此类注射产品的模具设计有参考价值。
关键词:塑料 , 注射成形 , 模具设计
目 录
摘 要 2
Abstract 3
第一章 前言 6
1.1 模具在加工工业中的地位 6
1.2 模具的发展趋势 7
1.3 设计在学习模具制造中的作用 8
第二章 塑料的工艺分析 8
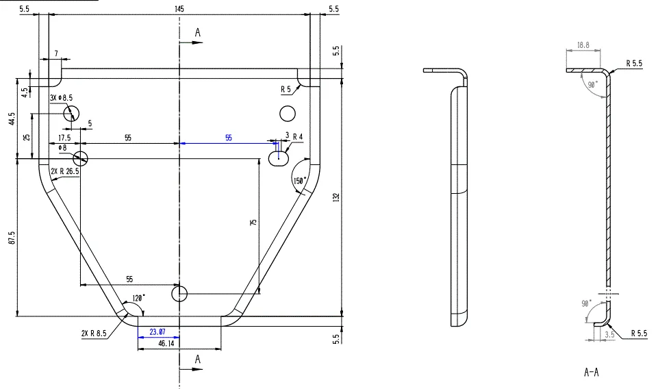
2.1 塑件元件图及技术要求 8
2.2 原料(ABS)的成型特性和工艺参数 9
2.2.1 ABS塑料主要的性能指标 9
2.2.2 ABS的注射成型工艺参数 9
第三章 注射设备的选择 10
3.1 注射成型工艺条件 10
3.1.1 模具所需塑料熔体注射量 10
3.1.2 分型面上的投影面积及所需锁模力 10
3.2 选择注射机 11
3.3 模架的选定 11
3.4 注射机的校核 12
3.4.1 最大注射量的校核 12
3.4.2 锁模力校核 12
3.4.3 模具与注射机安装部分相关尺寸校核 13
第四章 型腔布局与分型面设计 13
4.1 型腔的布局 13
4.2 分型面的设计 14
第五章 浇注系统的设计 15
5.1 主流道的设计 15
5.2 主流道衬套的设计 16
5.3 分流道的设计 17
5.4 浇口的选择 18
5.4.1 浇口的选用 18
5.4.2 浇口位置的选用 19
5.4.3 浇注系统的平衡 19
5.4.4 排气的设计 20
第六章 成型零件的设计 20
6.1 成型零件的结构设计 20
6.1.1 型腔结构设计 20
6.2 成型零件工作尺寸计算 21
6.2.1 外形尺寸 22
第七章 合模导向机构的设计 22
7.1 导柱结构 23
7.2 导套结构 23
7.3 侧抽芯机构的设计 24
7.3.1 抽拔力 24
7.3.2 抽芯距 25
第八章 脱模机构的设计 25
8.1 脱模机构设计的总原则 25
8.2 推杆设计 26
8.2.1 推杆的形状 26
8.2.2 推杆的位置和布局 26
第九章 温度调节系统的设计 26
9.1 模具冷却系统的设计 27
9.2 模具加热系统的设计 28
第十章 模具的装配 29
10.1 模具的装配顺序 29
10.2 开模过程分析 30
致 谢 30
参考文献 31
温馨提示:
1、题目前面的备注【字母数字编号】为本站整理分类的编号,与课题内容无关,请选题时忽视;
2、若题目上备注三维,则表示文件里包含三维源文件,由于三维组成零件数量较多,为保证预览截图的简洁性,本站将三维文件夹进行了打包。三维及CAD预览截图,均为本站电脑打开软件进行截图的,保证能够打开,下载原件超高清,下载后解压即可;
3、本站所有资源如无特殊说明,都需要本地电脑安装Office2007。图纸软件为AutoCAD,PROE,UG,SolidWorks,CATIA等;
4、本站所有图文资料仅供用户学习参考,不作为任何商用或其他用途;
5、本站不保证下载资源的准确性、安全性和完整性, 不包修改,不支持退换,同时也不承担用户因使用这些下载资源对自己和他人造成任何形式的伤害或损失;
6、 下载文件中如有侵权或不适当内容,请与我们联系,我们立即纠正。