

作品包括:
说明书一份,22页,约10000字
CAD版本图纸,共9张
拉线盘注射工艺分析及模具设计
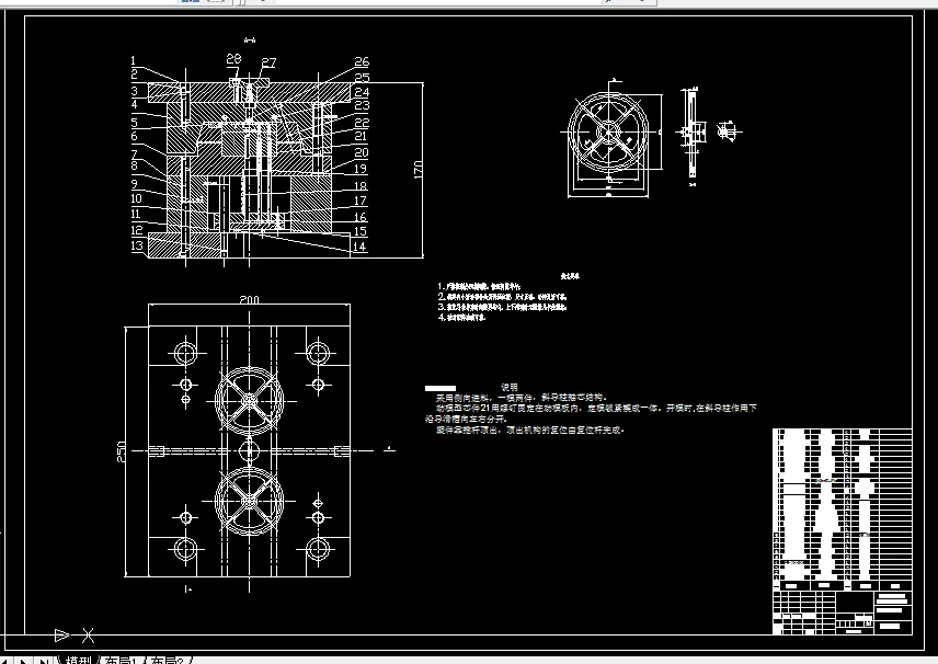
摘 要:注射成型是热塑性塑料成型的主要方法之一,可以一次成型形状复杂的精密塑件。本设计进行了一款拉线盘的注塑模设计,对零件结构进行了工艺分析。确定了分型面、浇注系统等,选择了注射机,计算了成型零部件的尺寸。采用侧浇口。利用直导柱导向,推杆顶料,斜顶杆完成脱模及内抽芯方式并对模具的材料进行了选择。如此设计出的结构可确保模具工作运用可靠。最后对模具结构与注射机的匹配进行了校核。并用autoCAD绘制了一套模具装配图和零件图。
关键词:注射工艺;注射模具;工艺分析;
目 录
摘要…………………………………………………………………………………………1
关键词………………………………………………………………………………………1
1 前言………………………………………………………………………………………2
1.1 研究意义…………………………………………………………………………2
1.2 国内外研究现状…………………………………………………………………2
1.3 发展方向…………………………………………………………………………3
2 塑料的工艺性分析……………………………………………………………………3
2.1 塑件的原材料分析………………………………………………………………3
2.2 制件分析…………………………………………………………………………3
2.2.1 塑件的结构分析…………………………………………………………3
2.2.2 塑件尺寸精度的分析……………………………………………………3
2.2.3 表面质量分析……………………………………………………………4
2.3 塑件的体积重量…………………………………………………………………4
2.4 塑件的注射工艺参数的定………………………………………………………5
3 型腔数的确定及浇注系统的设计………………………………………………………6
3.1 分型面的选择……………………………………………………………………6
3.2 型腔数的确定……………………………………………………………………7
3.3 型腔排列方式的确定……………………………………………………………7
3.4 设计浇注系统……………………………………………………………………7
3.4.1 设计主流道………………………………………………………………7
3.4.2 设计浇口道………………………………………………………………8
3.4.3 设计浇口…………………………………………………………………8
4 设计侧抽芯机构…………………………………………………………………………9
4.1 确定斜导柱倾斜角……………………………………………………………10
4.2 计算斜导柱的长度……………………………………………………………10
4.3 计算抽芯力………………………………………………………………11
4.4 设计楔紧块………………………………………………………………11
4.5 选择锁紧角………………………………………………………………11
5 设计计算模具……………………………………………………………………11
5.1 选择凸模、凹模的结构形式……………………………………………12
5.2 计算凸模、凹模的型芯工作尺寸………………………………………12
5.2.1 计算型腔径向的尺寸……………………………………………12
5.2.2 计算型腔深度的尺寸……………………………………………13
5.2.3 计算型芯径向的尺寸……………………………………………13
5.2.4 计算型芯的高度尺寸……………………………………………14
5.3 计算型腔侧壁厚度和底板厚度…………………………………………15
5.3.1 计算型腔侧壁厚度………………………………………………15
5.3.2 计算底板厚度……………………………………………………15
6 设计与设计推出机构……………………………………………………………15
6.1 设计推出机构……………………………………………………………16
6.2 计算推出力………………………………………………………………17
6.3 计算推杆直径……………………………………………………………17
7 温度调节系统……………………………………………………………………18
7.1 模具冷却装置的选择及其要求…………………………………………18
8 注射机与模具各参数的校核……………………………………………………18
8.1 校核锁模力………………………………………………………………18
8.2 校核注射压力……………………………………………………………19
8.3 校核模具的参数…………………………………………………………19
9 主要模具零件加工工艺过程……………………………………………………19
参考文献……………………………………………………………………………20
致谢…………………………………………………………………………………20
温馨提示:
1、题目前面的备注【字母数字编号】为本站整理分类的编号,与课题内容无关,请选题时忽视;
2、若题目上备注三维,则表示文件里包含三维源文件,由于三维组成零件数量较多,为保证预览截图的简洁性,本站将三维文件夹进行了打包。三维及CAD预览截图,均为本站电脑打开软件进行截图的,保证能够打开,下载原件超高清,下载后解压即可;
3、本站所有资源如无特殊说明,都需要本地电脑安装Office2007。图纸软件为AutoCAD,PROE,UG,SolidWorks,CATIA等;
4、本站所有图文资料仅供用户学习参考,不作为任何商用或其他用途;
5、本站不保证下载资源的准确性、安全性和完整性, 不包修改,不支持退换,同时也不承担用户因使用这些下载资源对自己和他人造成任何形式的伤害或损失;
6、 下载文件中如有侵权或不适当内容,请与我们联系,我们立即纠正。