

作品包括:
Word版设计说明书1份
CAD版本图纸,共7张
摘要
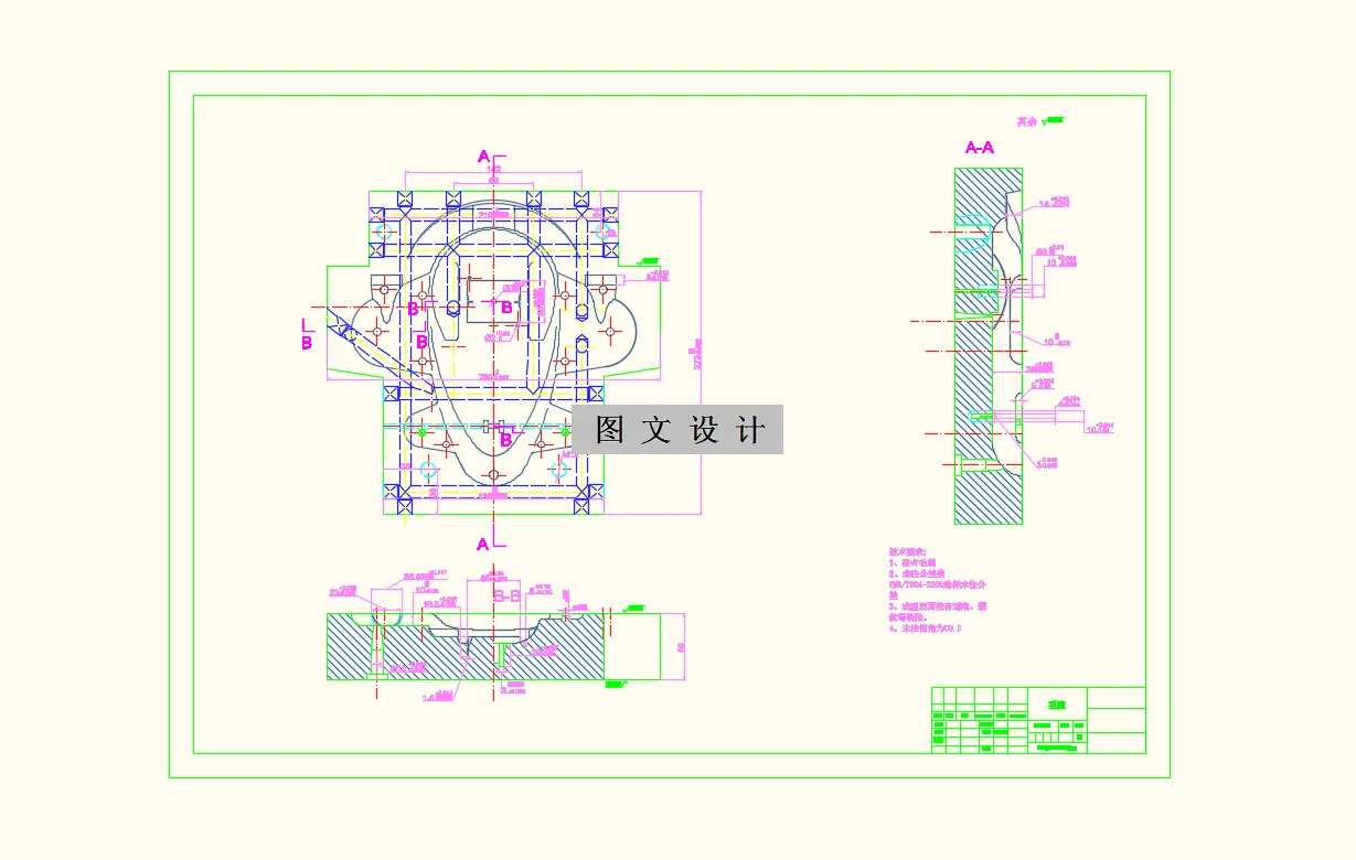
本次设计对成型塑料玩具飞机下壳体的模具进行设计。塑件结构总体形状呈梯形, 长×宽为 217×238。侧型芯的长径比很大。设计通过 Moldflow 进行辅助分析、优化, 判断先行设计的浇注方式、冷却水路是否满足成型要求以及翘曲变形是否达标、熔接线是否影响外观以及使用要求。由于抽芯部位在塑件最高处,侧型芯小,滑块高度没有塑件高,将斜导柱与滑块一同布置在定模。在结构上也采用定距拉板与定距拉杆相结合并采用点浇口的三板式结构。在冷却水道的布置时需要避开很多小型芯以及导柱,由于模具结构,型腔一侧的出水口与进水口被集中在一块区域,由于塑件的高度分为俩部分: 一部分高为机翼高,另一部分是机身的高度。,为方便安置水路。使水路高度平齐,水路与水路间隔 40mm-45mm。由于塑件体积较均匀,冷却效果可以满足要求。
温馨提示:
1、题目前面的备注【字母数字编号】为本站整理分类的编号,与课题内容无关,请选题时忽视;
2、若题目上备注三维,则表示文件里包含三维源文件,由于三维组成零件数量较多,为保证预览截图的简洁性,本站将三维文件夹进行了打包。三维及CAD预览截图,均为本站电脑打开软件进行截图的,保证能够打开,下载原件超高清,下载后解压即可;
3、本站所有资源如无特殊说明,都需要本地电脑安装Office2007。图纸软件为AutoCAD,PROE,UG,SolidWorks,CATIA等;
4、本站所有图文资料仅供用户学习参考,不作为任何商用或其他用途;
5、本站不保证下载资源的准确性、安全性和完整性, 不包修改,不支持退换,同时也不承担用户因使用这些下载资源对自己和他人造成任何形式的伤害或损失;
6、 下载文件中如有侵权或不适当内容,请与我们联系,我们立即纠正。