

作品包括:
Word版设计说明书1份
CAD版本图纸,共6张
摘要
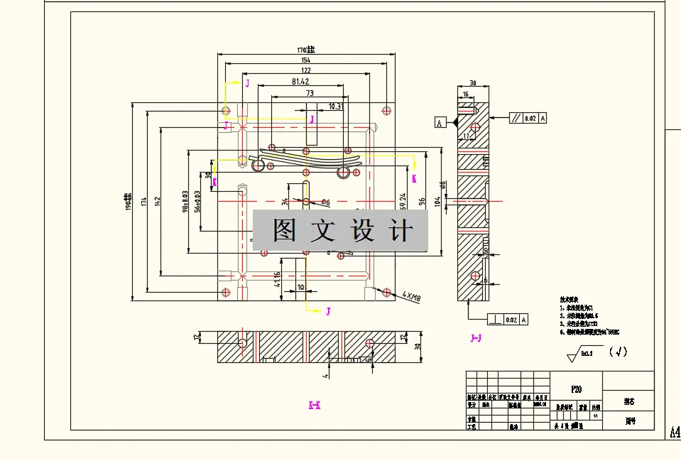
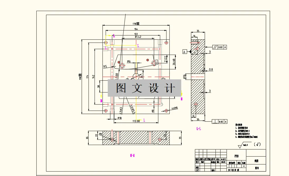
模具设计制造在我国制造业的产品生产中占据了重要的地位,应用也用越来广泛, 其中注塑模具的设计更是发展迅速,无论是汽车行业的小部件还是中型设备,其设计 生产工艺都已非常完备且成熟。 本篇阐述的是一款儿童安全座椅上附带的某一塑料玩具部件的设计,制件采用注射模设计,材料选择 ABS 材料,同时采用一模两腔的加工工艺进行生产与制造,本设计将从模具结构、成型零部件、浇注系统、冷却系统等环节对塑件进行设计,同时绘制模具装配图和零件图。
温馨提示:
1、题目前面的备注【字母数字编号】为本站整理分类的编号,与课题内容无关,请选题时忽视;
2、若题目上备注三维,则表示文件里包含三维源文件,由于三维组成零件数量较多,为保证预览截图的简洁性,本站将三维文件夹进行了打包。三维及CAD预览截图,均为本站电脑打开软件进行截图的,保证能够打开,下载原件超高清,下载后解压即可;
3、本站所有资源如无特殊说明,都需要本地电脑安装Office2007。图纸软件为AutoCAD,PROE,UG,SolidWorks,CATIA等;
4、本站所有图文资料仅供用户学习参考,不作为任何商用或其他用途;
5、本站不保证下载资源的准确性、安全性和完整性, 不包修改,不支持退换,同时也不承担用户因使用这些下载资源对自己和他人造成任何形式的伤害或损失;
6、 下载文件中如有侵权或不适当内容,请与我们联系,我们立即纠正。