

作品包括:
Word版设计说明书1份
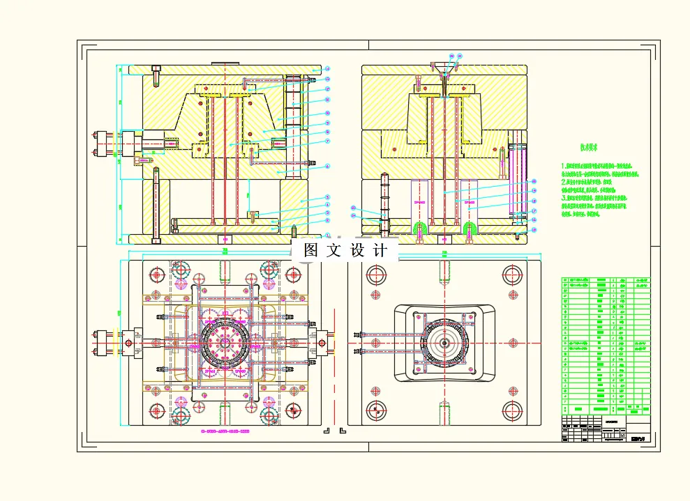
CAD版本图纸,共7张
摘要
本次设计以电缆线盘为原件进行模具设计,首先确定塑料的分型面,分型面的选择要考虑脱模斜度和顶出受力面积。浇口位置要考虑到产品填充的流向均匀还有废料的放置位置。型腔数量的安排要合理采用镶嵌式还是整体式,结合模具的结构合理性要填充完全不得缺料。冷却系统要均匀,如果温差过大会影响零件外观出现裂痕变形和水印等。顶出机构也要受力均匀,如果脱模力受力不均匀过小会顶穿产品,顶出时面针板进行固定,底针板进行推出。工作时采用导柱导套进行导向,复位时利用弹簧进行复位复位杆进行导向。在设计完成后进行注塑机的校核,通过指导手册查询数据,选择注塑机的型号根据质料进行技算出注塑量,注塑压力、锁模力等。
温馨提示:
1、题目前面的备注【字母数字编号】为本站整理分类的编号,与课题内容无关,请选题时忽视;
2、若题目上备注三维,则表示文件里包含三维源文件,由于三维组成零件数量较多,为保证预览截图的简洁性,本站将三维文件夹进行了打包。三维及CAD预览截图,均为本站电脑打开软件进行截图的,保证能够打开,下载原件超高清,下载后解压即可;
3、本站所有资源如无特殊说明,都需要本地电脑安装Office2007。图纸软件为AutoCAD,PROE,UG,SolidWorks,CATIA等;
4、本站所有图文资料仅供用户学习参考,不作为任何商用或其他用途;
5、本站不保证下载资源的准确性、安全性和完整性, 不包修改,不支持退换,同时也不承担用户因使用这些下载资源对自己和他人造成任何形式的伤害或损失;
6、 下载文件中如有侵权或不适当内容,请与我们联系,我们立即纠正。