

作品包括:
Word版设计说明书1份
CAD版本图纸,共6张
摘要
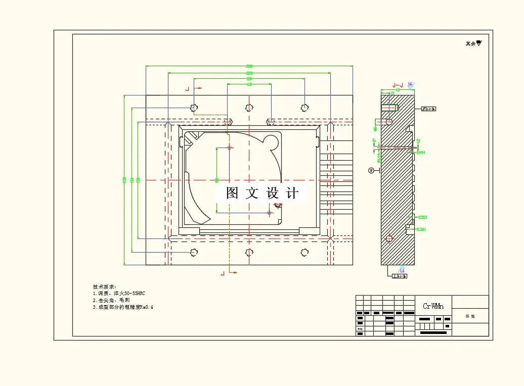
本课题来源于生产实践,针对某一种CD机的配套CD面板进行注射。本文是必需的成型,没有翘曲的优点后具有尺寸稳定性。首先,运用软件对塑料制件可以进行一个造型,从成型的材料和制件的形状出发来制定合理的工艺路线;使用注塑件的模流软件模拟,提出一个合理的注射成型条件和成型加工工艺。然后,确定所述顶盖开口CD播放器,空腔的模型,在上述分析的形式浇口的模具分型面。接着,确定注塑机型号为JPH180C、模架为4040型400mm×400mm、型腔为整体式、型芯为整体式、脱模机构由推杆和推板组成、冷却水道开在距离制件表面10mm处,使得所设计的模具拥有高寿命、低成本
温馨提示:
1、题目前面的备注【字母数字编号】为本站整理分类的编号,与课题内容无关,请选题时忽视;
2、若题目上备注三维,则表示文件里包含三维源文件,由于三维组成零件数量较多,为保证预览截图的简洁性,本站将三维文件夹进行了打包。三维及CAD预览截图,均为本站电脑打开软件进行截图的,保证能够打开,下载原件超高清,下载后解压即可;
3、本站所有资源如无特殊说明,都需要本地电脑安装Office2007。图纸软件为AutoCAD,PROE,UG,SolidWorks,CATIA等;
4、本站所有图文资料仅供用户学习参考,不作为任何商用或其他用途;
5、本站不保证下载资源的准确性、安全性和完整性, 不包修改,不支持退换,同时也不承担用户因使用这些下载资源对自己和他人造成任何形式的伤害或损失;
6、 下载文件中如有侵权或不适当内容,请与我们联系,我们立即纠正。