

作品包括:
Word版设计说明书1份
CAD版本图纸,共8张
摘要
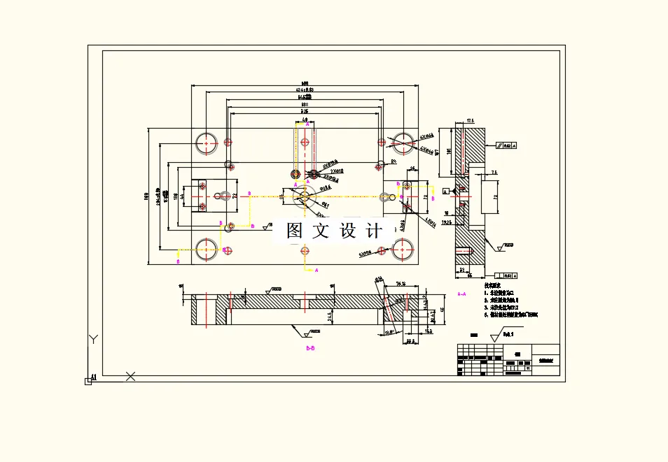
本次课题的任务是设计一副生产路由器外壳的注射模具,以此来实现大批量自动化生产。路由器外壳采用了ABS材料,该材料在日常生活中有着广泛的应用。根据路由器结构形状特点以及对其成型工艺的分析,并通过moldflow软件进行了模流分析。确定了采用一模两腔,型腔采用整体式,型芯采用组合镶拼式。在制件侧壁有多个大小不一的矩形通孔,所以使用斜滑块侧向抽芯机构。采用直通式推杆顶出。并且在文中写出了计算过程,如型芯、型腔的相关尺寸计算,注塑机的选择及相关参数的校核,侧抽芯的抽芯距、斜导柱的相关数据的计算等。并设计了冷却系统,确保其成型的质量。
温馨提示:
1、题目前面的备注【字母数字编号】为本站整理分类的编号,与课题内容无关,请选题时忽视;
2、若题目上备注三维,则表示文件里包含三维源文件,由于三维组成零件数量较多,为保证预览截图的简洁性,本站将三维文件夹进行了打包。三维及CAD预览截图,均为本站电脑打开软件进行截图的,保证能够打开,下载原件超高清,下载后解压即可;
3、本站所有资源如无特殊说明,都需要本地电脑安装Office2007。图纸软件为AutoCAD,PROE,UG,SolidWorks,CATIA等;
4、本站所有图文资料仅供用户学习参考,不作为任何商用或其他用途;
5、本站不保证下载资源的准确性、安全性和完整性, 不包修改,不支持退换,同时也不承担用户因使用这些下载资源对自己和他人造成任何形式的伤害或损失;
6、 下载文件中如有侵权或不适当内容,请与我们联系,我们立即纠正。