

作品包括:
Word版设计说明书1份
CAD版本图纸,共13张
UG三维图一套
摘要
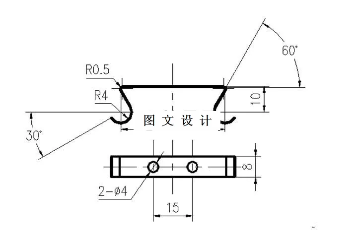
本文针对“桌面名片夹外壳”注塑模具设计,首先选择并分析适合了这个塑件的高分子树脂材料,其次,分析了塑件的注塑成型工艺。结合塑件的实际结构特点与尺寸大小和精度要求。选择了合适的出模数量。针对整套模具的结构设计上面,本文采用了对应的成型系统来保证模具加工的可行性、浇注系统方面尽可能的贴合实际注塑生产工艺需求、冷却系统设计方面能够使得塑件的冷却更加均匀合理。
温馨提示:
1、题目前面的备注【字母数字编号】为本站整理分类的编号,与课题内容无关,请选题时忽视;
2、若题目上备注三维,则表示文件里包含三维源文件,由于三维组成零件数量较多,为保证预览截图的简洁性,本站将三维文件夹进行了打包。三维及CAD预览截图,均为本站电脑打开软件进行截图的,保证能够打开,下载原件超高清,下载后解压即可;
3、本站所有资源如无特殊说明,都需要本地电脑安装Office2007。图纸软件为AutoCAD,PROE,UG,SolidWorks,CATIA等;
4、本站所有图文资料仅供用户学习参考,不作为任何商用或其他用途;
5、本站不保证下载资源的准确性、安全性和完整性, 不包修改,不支持退换,同时也不承担用户因使用这些下载资源对自己和他人造成任何形式的伤害或损失;
6、 下载文件中如有侵权或不适当内容,请与我们联系,我们立即纠正。