

作品包括:
Word版设计说明书1份
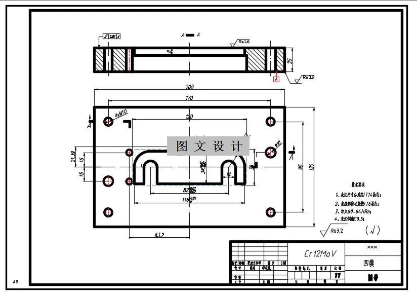
CAD版本图纸,共3张
摘要
(1)零件的工艺分析,有尺寸精度的分析、材料的分析和方案的制定。 (2)排样图的设计,和材料利用率的计算以及板料剪裁方式的选择。 (3)冲压力的计算和压力机的选择。 (4)模具刃口的计算,刃口的正确计算和间隙的选择,可以降低凸凹模的磨损,间接的提高模具的寿命。 (5)根据设计分析模具的结构,选择标准件,从而实现标准化的设计。 1458021
温馨提示:
1、题目前面的备注【字母数字编号】为本站整理分类的编号,与课题内容无关,请选题时忽视;
2、若题目上备注三维,则表示文件里包含三维源文件,由于三维组成零件数量较多,为保证预览截图的简洁性,本站将三维文件夹进行了打包。三维及CAD预览截图,均为本站电脑打开软件进行截图的,保证能够打开,下载原件超高清,下载后解压即可;
3、本站所有资源如无特殊说明,都需要本地电脑安装Office2007。图纸软件为AutoCAD,PROE,UG,SolidWorks,CATIA等;
4、本站所有图文资料仅供用户学习参考,不作为任何商用或其他用途;
5、本站不保证下载资源的准确性、安全性和完整性, 不包修改,不支持退换,同时也不承担用户因使用这些下载资源对自己和他人造成任何形式的伤害或损失;
6、 下载文件中如有侵权或不适当内容,请与我们联系,我们立即纠正。