

作品包括:
Word版设计说明书1份
开题报告一份
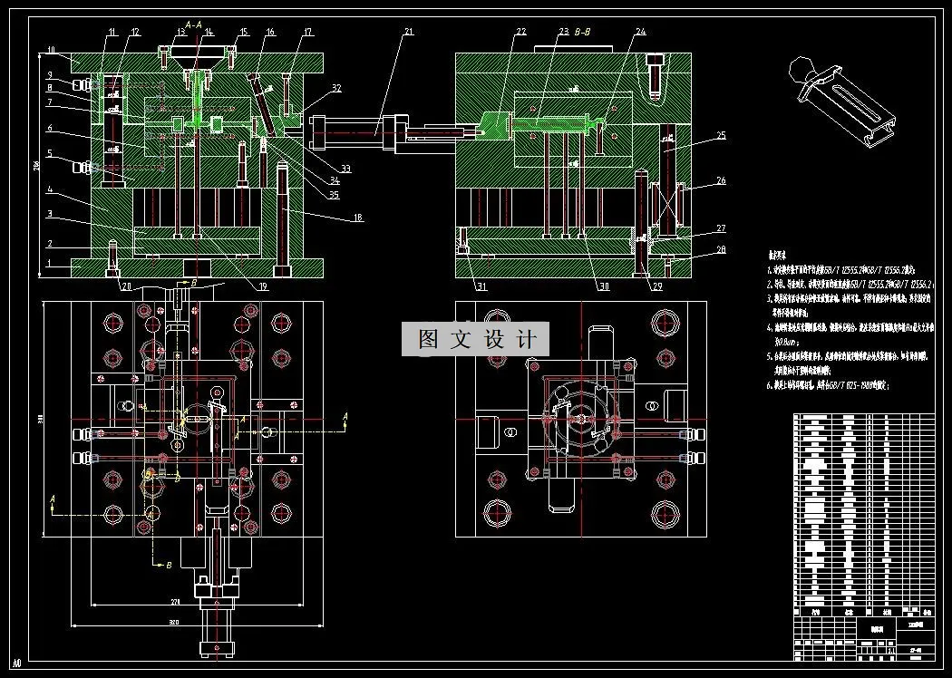
CAD版本图纸,共15张
UG三维图一份
摘要
在该塑料模具设计论文中,系统的介绍了车载手机支架连杆的整个设计流程,其中主要包括以下过程:根据实物完成车载手机支架连杆三维的绘制;分析塑料件用途,为产品选择材料、及注塑成型工艺性分析;通过三维软件分析产品质量,计算一次总注射量,并选择注塑机型号,为模具选择合理的分型面位置,确定型腔数目并对型腔进行合理的排布,进行模具结构设计,其中包括浇注系统,脱模机构,侧抽芯机构,导向机构等;对成型零部件进行结构设计并进行尺寸计算,对标准模架进行选型,通过以上设计,完成装配图,模具三维绘制图绘制以及主要模具零件图,编写模具配套的设计说明书,
温馨提示:
1、题目前面的备注【字母数字编号】为本站整理分类的编号,与课题内容无关,请选题时忽视;
2、若题目上备注三维,则表示文件里包含三维源文件,由于三维组成零件数量较多,为保证预览截图的简洁性,本站将三维文件夹进行了打包。三维及CAD预览截图,均为本站电脑打开软件进行截图的,保证能够打开,下载原件超高清,下载后解压即可;
3、本站所有资源如无特殊说明,都需要本地电脑安装Office2007。图纸软件为AutoCAD,PROE,UG,SolidWorks,CATIA等;
4、本站所有图文资料仅供用户学习参考,不作为任何商用或其他用途;
5、本站不保证下载资源的准确性、安全性和完整性, 不包修改,不支持退换,同时也不承担用户因使用这些下载资源对自己和他人造成任何形式的伤害或损失;
6、 下载文件中如有侵权或不适当内容,请与我们联系,我们立即纠正。