

作品包括:
Word版设计说明书1份
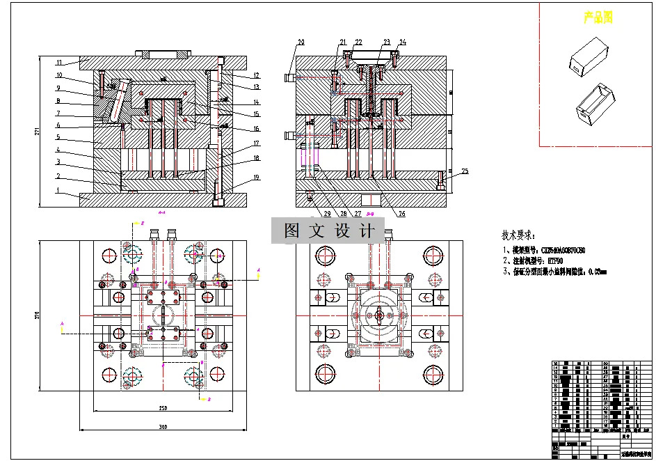
CAD版本图纸,共6张
UG三维图一份
摘要
本次课题设计主要是完成外壳注塑成型模具设计,为加工外壳所选材质为ABS,并对外壳进行了工艺方面做出了分析,模具的型腔数目为一模两腔结构,采用型腔排布,通过计算外壳单次成型所需ABS体积以及锁模力大小,确定了注塑机型号为XS-ZY-125。模架结构为单分型面大水口模架,然后对模具的浇注系统、脱模机构、冷却系统进行了设计,成型零件设计中型芯、型腔采用整体式结构。最后对所注塑机的主要参数进行了校核。顺利地完成了本次模具设计的内容。
温馨提示:
1、题目前面的备注【字母数字编号】为本站整理分类的编号,与课题内容无关,请选题时忽视;
2、若题目上备注三维,则表示文件里包含三维源文件,由于三维组成零件数量较多,为保证预览截图的简洁性,本站将三维文件夹进行了打包。三维及CAD预览截图,均为本站电脑打开软件进行截图的,保证能够打开,下载原件超高清,下载后解压即可;
3、本站所有资源如无特殊说明,都需要本地电脑安装Office2007。图纸软件为AutoCAD,PROE,UG,SolidWorks,CATIA等;
4、本站所有图文资料仅供用户学习参考,不作为任何商用或其他用途;
5、本站不保证下载资源的准确性、安全性和完整性, 不包修改,不支持退换,同时也不承担用户因使用这些下载资源对自己和他人造成任何形式的伤害或损失;
6、 下载文件中如有侵权或不适当内容,请与我们联系,我们立即纠正。