

作品包括:
Word版设计说明书1份
开题报告一份
CAD版本图纸,共7张
UG三维图一份
摘要
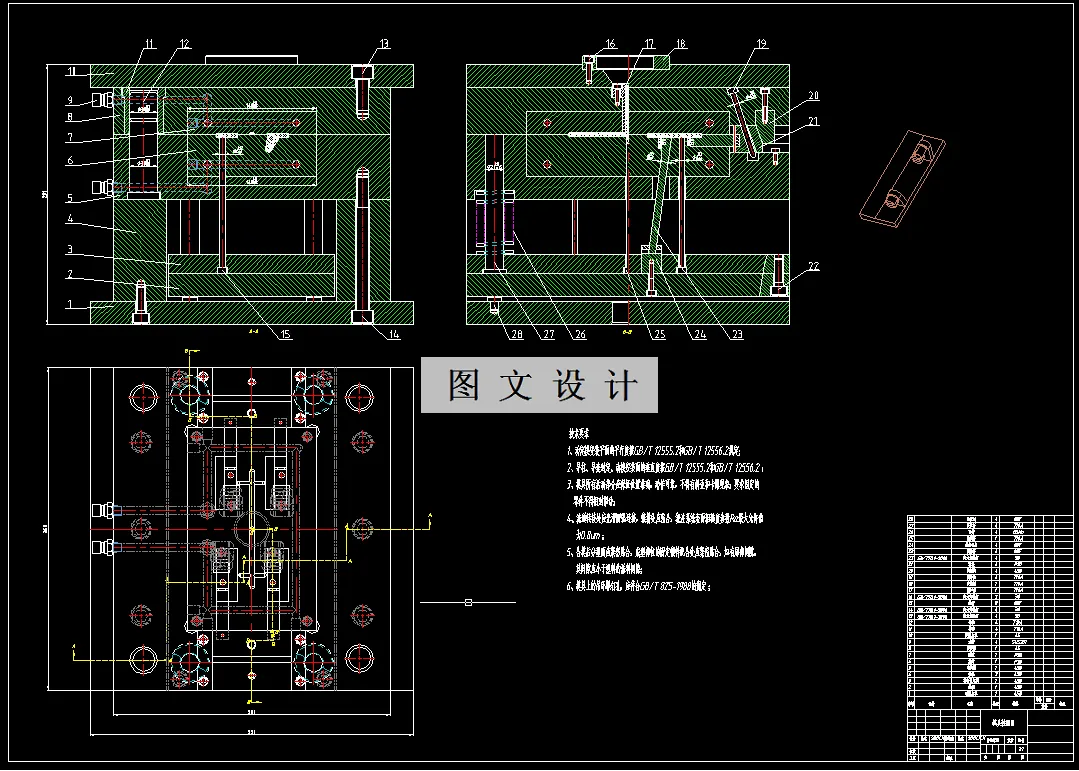
本文就是对汽车内饰件的塑料注射模具的结构设计进行了详细介绍。通过在网上查阅了大量的资料以及文献,最终确定了模具设计的整个方案,根据产品的使用要求选择了合适的材料。开题之后运用相关软件对产品进行三维建模,完成汽车内饰件塑件的结构分析,然后确定了本次模具设计最佳分型面位置和模具型腔腔数为一模四腔,完成了本次设计的注塑模具浇注系统、侧向抽芯机构、脱模机构的设计,最后对模具的冷却系统等相关结构进行完善,这其中还对型芯型腔的结构尺寸进行了设计计算,确保整个模具设计过程的标准性与合理性。最终确定了零件的材料以及合适的工艺,最后完成整个模具的装配设计。通过对各个零件进行了二维图的绘制以及采用ug软件进行三维的建模,最后将整套模具顺利设计完成通过对汽车内饰件注塑模具的设计,全面完整地了解到一套模具的设计制造原理,过程以及方法。
温馨提示:
1、题目前面的备注【字母数字编号】为本站整理分类的编号,与课题内容无关,请选题时忽视;
2、若题目上备注三维,则表示文件里包含三维源文件,由于三维组成零件数量较多,为保证预览截图的简洁性,本站将三维文件夹进行了打包。三维及CAD预览截图,均为本站电脑打开软件进行截图的,保证能够打开,下载原件超高清,下载后解压即可;
3、本站所有资源如无特殊说明,都需要本地电脑安装Office2007。图纸软件为AutoCAD,PROE,UG,SolidWorks,CATIA等;
4、本站所有图文资料仅供用户学习参考,不作为任何商用或其他用途;
5、本站不保证下载资源的准确性、安全性和完整性, 不包修改,不支持退换,同时也不承担用户因使用这些下载资源对自己和他人造成任何形式的伤害或损失;
6、 下载文件中如有侵权或不适当内容,请与我们联系,我们立即纠正。