

作品包括:
Word设计说明书1份
CAD版本图纸,共14张
UG三维图一份
摘要
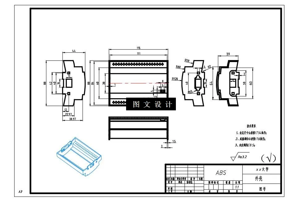
本文研究的主要内容是电表散热盖产品及注塑模具设计,通过确定电表散热盖的外形形状,结合成型特点设计注塑模具。主要包括塑件的工艺分析、选择注射成型设备、设计成型方案、模具成型零件与推出机构的设计等。具体包括分析塑件结构、尺寸精度和表面质量;计算塑件体积、注射量和凹凸模的尺寸;设计主流道、分流道、浇口、拉料杆和冷却系统;确定推出方式、型腔数目和排列方式以及侧抽芯的设计。在经过对塑件进行结构和工艺性分析之后,设计出了塑件的外观图形,该电表散热盖外形尺寸属于小型塑件,且塑件外观无特殊要求。利用UG NX 11.0和AUTO CAD软件绘制了二维图和三维图,在清楚地表达模具结构的同时,也缩短了设计时间,提高了效率。这种外壳是安装在设备上的,里面分布这较多电子元件,所以产品的表面分布着很多的透气孔。
温馨提示:
1、题目前面的备注【字母数字编号】为本站整理分类的编号,与课题内容无关,请选题时忽视;
2、若题目上备注三维,则表示文件里包含三维源文件,由于三维组成零件数量较多,为保证预览截图的简洁性,本站将三维文件夹进行了打包。三维及CAD预览截图,均为本站电脑打开软件进行截图的,保证能够打开,下载原件超高清,下载后解压即可;
3、本站所有资源如无特殊说明,都需要本地电脑安装Office2007。图纸软件为AutoCAD,PROE,UG,SolidWorks,CATIA等;
4、本站所有图文资料仅供用户学习参考,不作为任何商用或其他用途;
5、本站不保证下载资源的准确性、安全性和完整性, 不包修改,不支持退换,同时也不承担用户因使用这些下载资源对自己和他人造成任何形式的伤害或损失;
6、 下载文件中如有侵权或不适当内容,请与我们联系,我们立即纠正。