

作品包括:
Word版设计说明书1份,共39页,约12000字
CAD版本图纸,共12张
UG三维图一份

摘要
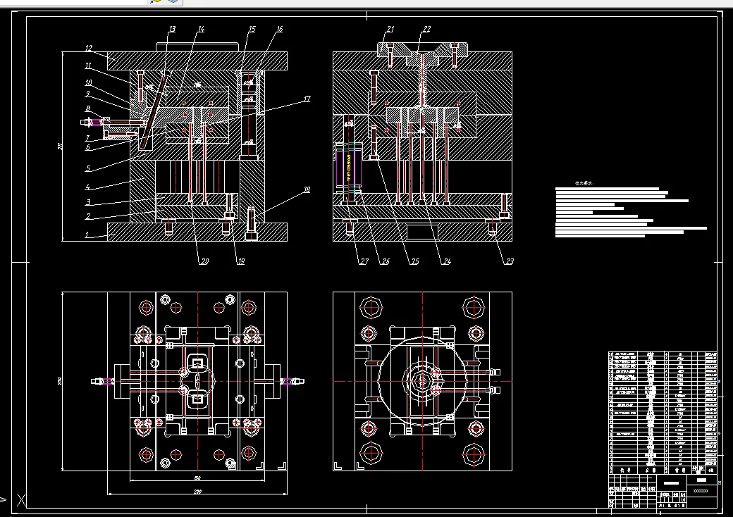
本次课题的目的是设计一副注射模具来生产支架,从而实现大批量自动化生产。针对支架的模具设计,经过查找资料且对此塑件进行结构与工艺分析,决定采用注射模。支架采用酚醛树脂材料,该材料在日常生活中有着广泛的应用。此次设计从支架的工艺性与相应的模具结构出发,对模具的成型零部件、注塑模推出机构、加热与冷却系统、浇注系统、排气系统、支承零部件的选择、注射机的选择以及相关参数的校核等都有着详细的计算过程。设计中主要运用UG NX 10.0与CAD软件对支架的三维模型与模具的装配图与零件图进行绘制,不但提高了工作效率且大大缩短了设计工作的时间,且加深了对软件的操作与运用。此次设计过程表明该模具能够达到支架所要求的加工工艺。
关键词:支架;注射模;模具结构;加工工艺
目录
1 绪 论 1
1.1 前言 1
2 塑料成型工艺性分析 3
2.1 塑件结构工艺分析 3
2.2 塑件的性能分析 4
2.2.1 塑件材料的选择 4
2.2.2 塑件材料基本特性 4
2.3 塑件注射成型过程及工艺参数 5
2.3.1 塑件成型特点 5
2.3.2 注塑塑件成型过程 5
2.3.3 注塑工艺的参数 5
3 分型面的设计与注射机的选择 6
3.1 分型面的确定 6
3.2 型腔数量和排列方式的确定 7
3.2.1 型腔数量的确定 7
3.2.2 确定注塑模具型腔的布排方式 7
3.3注射机的选择 7
3.3.1 注射量的计算 8
3.3.2 浇筑系统凝料体积的计算 8
3.3.3 注射机的选择 8
3.3.4注射机的相关参数的校核 9
4 浇注系统的设计 11
4.1 主流道的设计 11
4.1.1 主流道尺寸 11
4.1.2 设计注塑浇口套 12
4.2 分流道的设计 12
4.3 浇口的设计 13
4.4 冷料穴的设计 14
5 成型零件结构设计及尺寸计算 15
5.1 成型零件的结构 15
5.1.1 凹模结构的设计 15
5.1.2 凸模型芯的结构设计 16
5.2 成型零件的钢材 16
5.3 计算支架成型零件的尺寸 17
5.3.1 型腔尺寸的计算 17
6 模架的确定 18
6.1 各模板尺寸的确定 18
6.2 模架各尺寸的校核 19
7 推出机构的设计 20
7.1 推出机构的组成 20
7.2 设计原则 20
7.3 脱模力的计算 20
7.4脱模机构的布局 21
8 导向与定位结构的设计 22
8.1 导柱导向机构的作用 22
8.2 导柱导套的设计原则 22
9 排气系统设计 23
10 温度调节系统的设计 24
10.1 冷却系统的作用 24
10.2 设计冷却系统时应考虑的因素 24
10.3 冷却介质 24
10.4 冷却系统的简略计算 25
10.4.1 冷却系统的简单计算 25
10.4.2 单位时间内注入模具中的塑料熔体的总质量W 25
10.4.3 确定单位质量的塑件在凝固时所放出的热量 25
11 侧抽芯机构的设计 27
11.1 斜导柱抽芯机构的有关参数计算 27
11.1.1 抽芯距S 27
11.1.2 斜导柱倾斜角α的确定 27
11.1.3 斜导柱直径的确定 27
11.1.4 斜导柱长度的计算 28
11.2滑块的设计 28
11.3 导滑槽的设计 29
11.4 滑块定位装置 29
11.4.1 作用 29
12 模具总装配图及工作原理 30
11.1 注塑模具总装配图 30
结论 32
参考文献 33
致谢 34
温馨提示:
1、题目前面的备注【字母数字编号】为本站整理分类的编号,与课题内容无关,请选题时忽视;
2、若题目上备注三维,则表示文件里包含三维源文件,由于三维组成零件数量较多,为保证预览截图的简洁性,本站将三维文件夹进行了打包。三维及CAD预览截图,均为本站电脑打开软件进行截图的,保证能够打开,下载原件超高清,下载后解压即可;
3、本站所有资源如无特殊说明,都需要本地电脑安装Office2007。图纸软件为AutoCAD,PROE,UG,SolidWorks,CATIA等;
4、本站所有图文资料仅供用户学习参考,不作为任何商用或其他用途;
5、本站不保证下载资源的准确性、安全性和完整性, 不包修改,不支持退换,同时也不承担用户因使用这些下载资源对自己和他人造成任何形式的伤害或损失;
6、 下载文件中如有侵权或不适当内容,请与我们联系,我们立即纠正。