

作品包括:
Word设计说明书1份
开题报告一份
CAD版本图纸,共23张
UG三维图一套
摘要
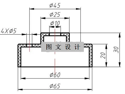
本课题分析了平头半六角铆螺母的工艺过程,并确定了工艺方案,根据工艺方案设计毛坯尺寸和各个工步挤压件的尺寸,依据工艺方案和各个工步尺寸确定了工艺过程卡。根据各工位挤压件的尺寸和冲棒尺寸确定了各个工位模具的尺寸。 使用UG对冷镦主要工作部件建立模型,其中有:挤压件、模具、前冲棒、后冲棒、模壳、螺套。并将模型导入到Deform中对模具在工作中的力学性能进行仿真模拟,根据模拟的结果分析模具易失效、损毁的位置,通过分析这些位置找出模具失效、损毁的原因,并根据分析的结果对模具提出有效的改进方案。
温馨提示:
1、题目前面的备注【字母数字编号】为本站整理分类的编号,与课题内容无关,请选题时忽视;
2、若题目上备注三维,则表示文件里包含三维源文件,由于三维组成零件数量较多,为保证预览截图的简洁性,本站将三维文件夹进行了打包。三维及CAD预览截图,均为本站电脑打开软件进行截图的,保证能够打开,下载原件超高清,下载后解压即可;
3、本站所有资源如无特殊说明,都需要本地电脑安装Office2007。图纸软件为AutoCAD,PROE,UG,SolidWorks,CATIA等;
4、本站所有图文资料仅供用户学习参考,不作为任何商用或其他用途;
5、本站不保证下载资源的准确性、安全性和完整性, 不包修改,不支持退换,同时也不承担用户因使用这些下载资源对自己和他人造成任何形式的伤害或损失;
6、 下载文件中如有侵权或不适当内容,请与我们联系,我们立即纠正。