

作品包括:
Word设计说明书1份
CAD版本图纸,共11张
摘要
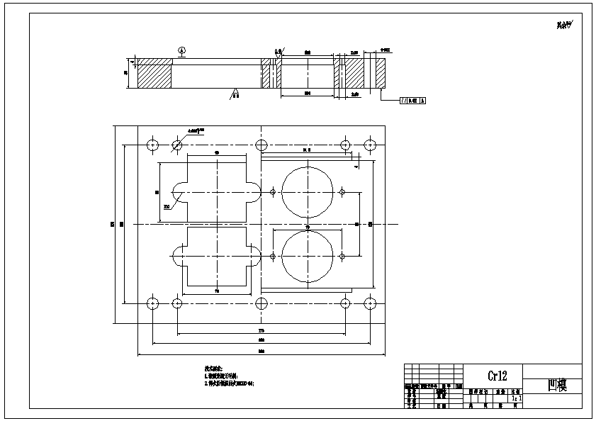
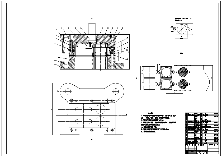
钢制水泵连接垫圈垫片双排级进模具设计 针对要设计的水泵连接垫圈零件级进模设计。确定冲压方案后进行带料排样方案的选择与设计,冲裁工艺计算。在此基础上制定了零件的加工工艺,正确卸料方式及级进模的总装结构设计,各部分零件设计以及压力机的选择。主冲裁方案的制定:本次设计采用冲孔—落料级进模模具生产。因为级进模生产只需一副模具,尺寸精度较高且生产效率高,安全检测自动化,操作安全。故采用冲孔落料级进模具设计的形式。
温馨提示:
1、题目前面的备注【字母数字编号】为本站整理分类的编号,与课题内容无关,请选题时忽视;
2、若题目上备注三维,则表示文件里包含三维源文件,由于三维组成零件数量较多,为保证预览截图的简洁性,本站将三维文件夹进行了打包。三维及CAD预览截图,均为本站电脑打开软件进行截图的,保证能够打开,下载原件超高清,下载后解压即可;
3、本站所有资源如无特殊说明,都需要本地电脑安装Office2007。图纸软件为AutoCAD,PROE,UG,SolidWorks,CATIA等;
4、本站所有图文资料仅供用户学习参考,不作为任何商用或其他用途;
5、本站不保证下载资源的准确性、安全性和完整性, 不包修改,不支持退换,同时也不承担用户因使用这些下载资源对自己和他人造成任何形式的伤害或损失;
6、 下载文件中如有侵权或不适当内容,请与我们联系,我们立即纠正。