

作品包括:
Word设计说明书1份
CAD版本图纸,共7张
摘要
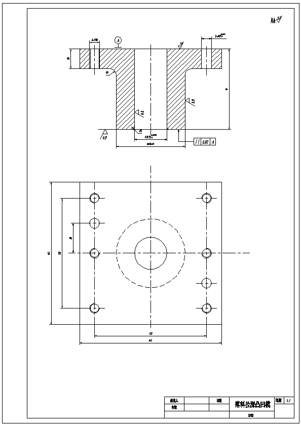
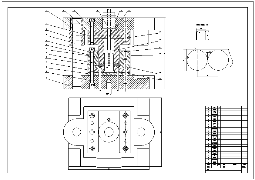
直筒冲压级进模设计 拟定出以下三种冲压工艺方案: 方案一:落料、拉深单工序模 方案二:落料拉深复合完成 方案三:采用多工位级进模 分析比较上述三种工艺方案,可以看出:方案一模具简单,数量多,冲压效率低。方案二相对于方案一模具较复杂,数量减少,冲压效率提高。方案三相对于前两种方案模具最复杂,制造周期长,数量最少,冲压效率最高,适合大批量生产。通过上述方案性能的比较,考虑到产品是中批量生产,采用方案二是最合理的。
温馨提示:
1、题目前面的备注【字母数字编号】为本站整理分类的编号,与课题内容无关,请选题时忽视;
2、若题目上备注三维,则表示文件里包含三维源文件,由于三维组成零件数量较多,为保证预览截图的简洁性,本站将三维文件夹进行了打包。三维及CAD预览截图,均为本站电脑打开软件进行截图的,保证能够打开,下载原件超高清,下载后解压即可;
3、本站所有资源如无特殊说明,都需要本地电脑安装Office2007。图纸软件为AutoCAD,PROE,UG,SolidWorks,CATIA等;
4、本站所有图文资料仅供用户学习参考,不作为任何商用或其他用途;
5、本站不保证下载资源的准确性、安全性和完整性, 不包修改,不支持退换,同时也不承担用户因使用这些下载资源对自己和他人造成任何形式的伤害或损失;
6、 下载文件中如有侵权或不适当内容,请与我们联系,我们立即纠正。