

作品包括:
Word设计说明书1份
CAD版本图纸,共5张
摘要
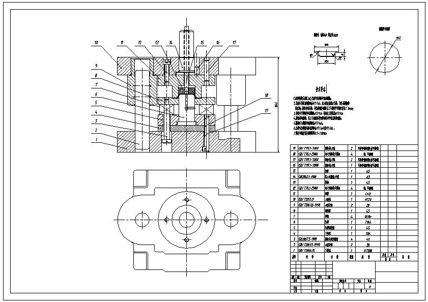
杯形件零件翻边模具设计 工件尺寸不大,结构简单,所以模具属于小型的单工序翻边模,为降低生产成本,使用手工送料的方式。据所提供的产品图样可知,图示结构中需要对零件的外缘进行翻边加工,首次冲压时用初始挡料销和固定挡料销定位,条料顺序送进一条料长度后,需使条料反转后再顺序送进,用两个挡料销和固定挡料销定位。
温馨提示:
1、题目前面的备注【字母数字编号】为本站整理分类的编号,与课题内容无关,请选题时忽视;
2、若题目上备注三维,则表示文件里包含三维源文件,由于三维组成零件数量较多,为保证预览截图的简洁性,本站将三维文件夹进行了打包。三维及CAD预览截图,均为本站电脑打开软件进行截图的,保证能够打开,下载原件超高清,下载后解压即可;
3、本站所有资源如无特殊说明,都需要本地电脑安装Office2007。图纸软件为AutoCAD,PROE,UG,SolidWorks,CATIA等;
4、本站所有图文资料仅供用户学习参考,不作为任何商用或其他用途;
5、本站不保证下载资源的准确性、安全性和完整性, 不包修改,不支持退换,同时也不承担用户因使用这些下载资源对自己和他人造成任何形式的伤害或损失;
6、 下载文件中如有侵权或不适当内容,请与我们联系,我们立即纠正。