

作品包括:
Word设计说明书1份
CAD版本图纸,共14张
摘要
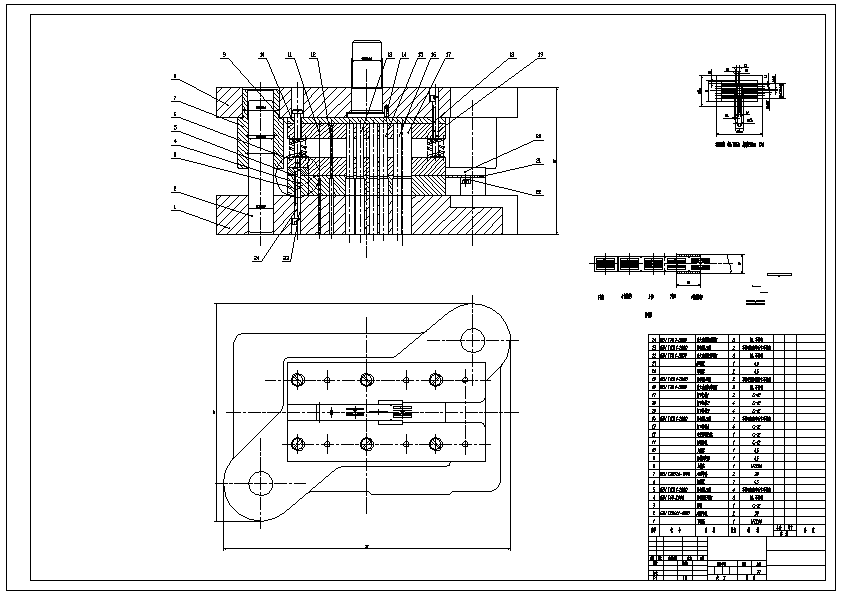
端子引线框冲压模具设计 产品是端子引线框,尺寸较小,形状基本对称,但是有点复杂,工件厚度较小,主要含有冲裁工序,首先要分析工件,选择搭边值和合理的排样图,计算冲裁力,由冲裁力选择合适的压力机,接下来就是凸、凹模的设计,凸、凹模对整个设计起着关键作用,可以根据间隙确定好凸、凹模的尺寸,后面我们就根据模具的特点选择合理的模架,导料零件,和模柄等标准件,最后绘制模具总装图,根据上述的工艺分析和计算设计出一副级进模具。
温馨提示:
1、题目前面的备注【字母数字编号】为本站整理分类的编号,与课题内容无关,请选题时忽视;
2、若题目上备注三维,则表示文件里包含三维源文件,由于三维组成零件数量较多,为保证预览截图的简洁性,本站将三维文件夹进行了打包。三维及CAD预览截图,均为本站电脑打开软件进行截图的,保证能够打开,下载原件超高清,下载后解压即可;
3、本站所有资源如无特殊说明,都需要本地电脑安装Office2007。图纸软件为AutoCAD,PROE,UG,SolidWorks,CATIA等;
4、本站所有图文资料仅供用户学习参考,不作为任何商用或其他用途;
5、本站不保证下载资源的准确性、安全性和完整性, 不包修改,不支持退换,同时也不承担用户因使用这些下载资源对自己和他人造成任何形式的伤害或损失;
6、 下载文件中如有侵权或不适当内容,请与我们联系,我们立即纠正。